Toyota Workshop Service and Repair Manuals
HOME
FEATURES
MENU
INDEX
ABOUT US
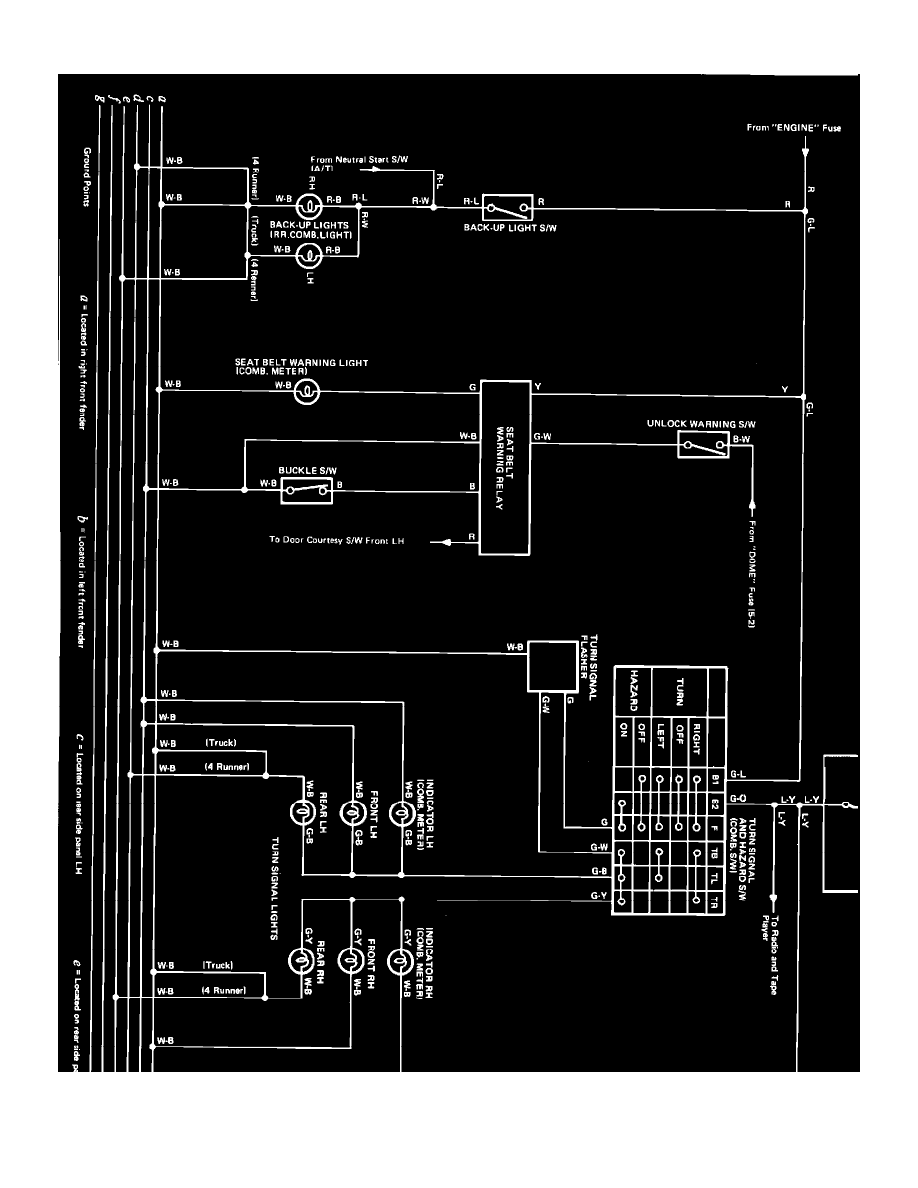
Backup Lamp|Diagrams|Page 3426 >
< Temperature Switch (Warning Indicator)|Locations
4 Runner 4WD L4-2366cc 2.4L SOHC Turbo (22R-TE) (1987)
Lighting and Horns
Backup Lamp
Component Information
Diagrams
Page 1
Backup Lamp: Diagrams
Lighting and Horns
Backup Lamp
Component Information
Diagrams
Backup Lamp|Diagrams|Page 3426 >
< Temperature Switch (Warning Indicator)|Locations