toyota Workshop Repair Guides

Toyota Workshop Service and Repair Manuals

Skid Control ECU|Page 6736 > < Electronic Brake Control Module Connectors|Page 6733
Page 1
background image

Electronic Brake Control Module: Service and Repair
Skid Control ECU

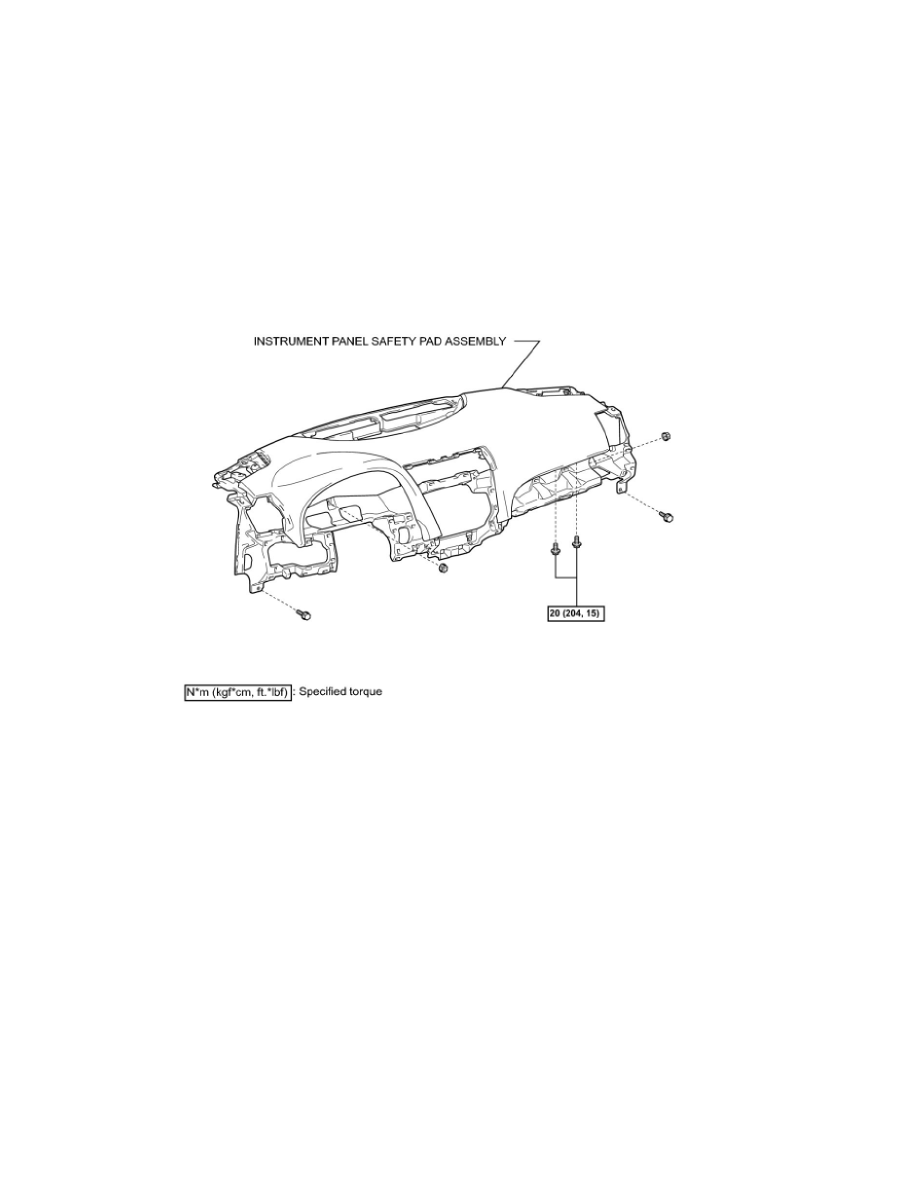
Components

BRAKE CONTROL: SKID CONTROL ECU: COMPONENTS

COMPONENTS

ILLUSTRATION

Skid Control ECU|Page 6736 > < Electronic Brake Control Module Connectors|Page 6733