Camry V6-3.5L (2GR-FE) (2008)
Establish conditions in which voltage is present at the check point.
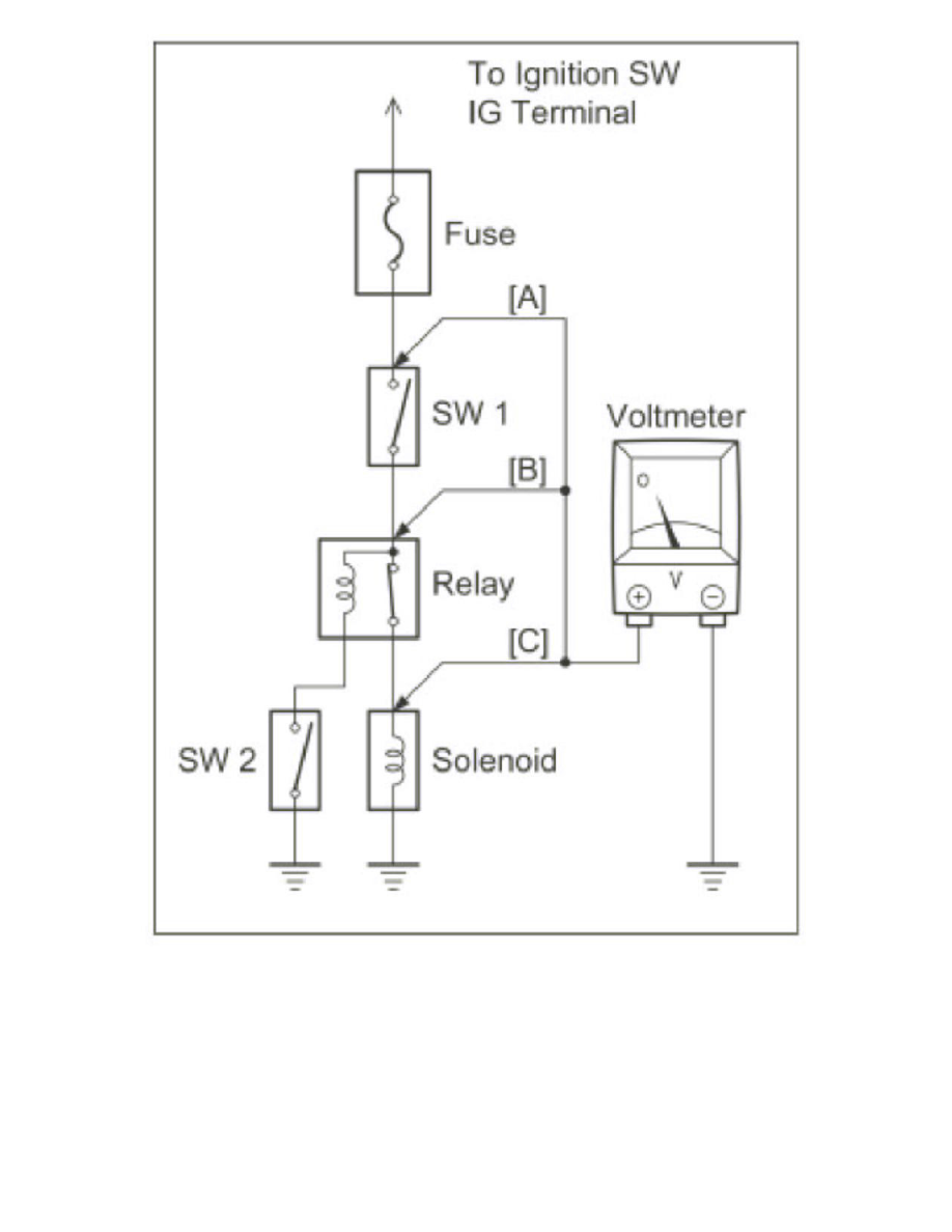
Example:
-
[A] - Ignition SW on
-
[B] - Ignition SW and SW1 on
-
[C] - Ignition SW, SW1 and Relay on (SW2 off)
Using a voltmeter, connect the negative lead to a good ground point or negative battery terminal, and the positive lead to the connector or component
terminal.
This check can be done with a test light instead of a voltmeter.
Continuity and Resistance Check
