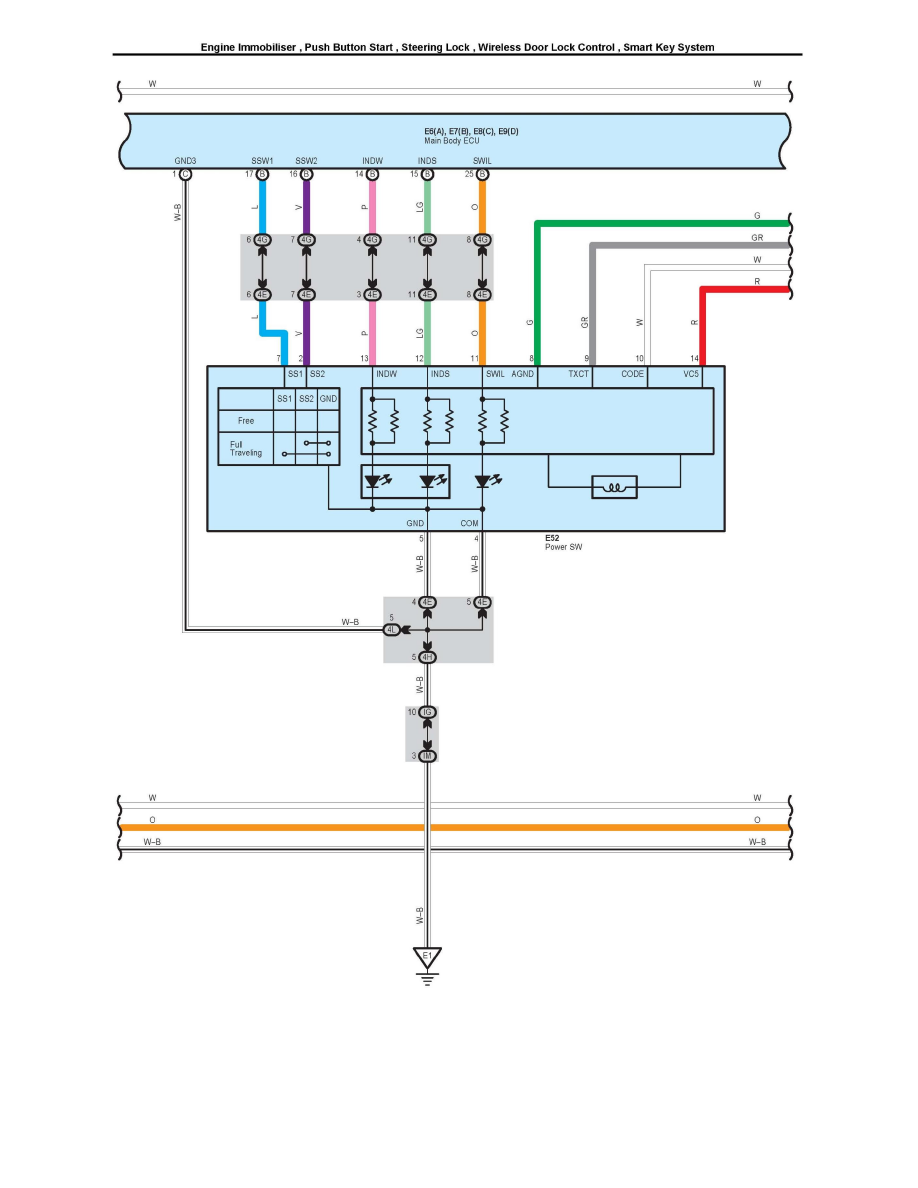
Engine Immobilizer, Push Button Start, Steering Lock, Wireless Door Lock Control, Smart Key System Part 6