toyota Workshop Repair Guides

Toyota Workshop Service and Repair Manuals

Diagram Information and Instructions|Page 7612 > < Diagram Information and Instructions|Page 7610
Page 10
background image

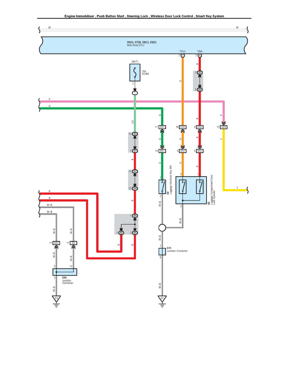
Engine Immobilizer, Push Button Start, Steering Lock, Wireless Door Lock Control, Smart Key System Part 10

Diagram Information and Instructions|Page 7612 > < Diagram Information and Instructions|Page 7610