Toyota Workshop Service and Repair Manuals
HOME
FEATURES
MENU
INDEX
ABOUT US
Diagram Information and Instructions|Page 7509 >
< Diagram Information and Instructions|Page 7507
Camry CE Sedan L4-2164cc 2.2L DOHC (5S-FE) MFI (1999)
Accessories and Optional Equipment
Antitheft and Alarm Systems
Door Sensor/Switch (For Alarm) / Diagrams / Diagram Information and Instructions
Page 7508
Page 1
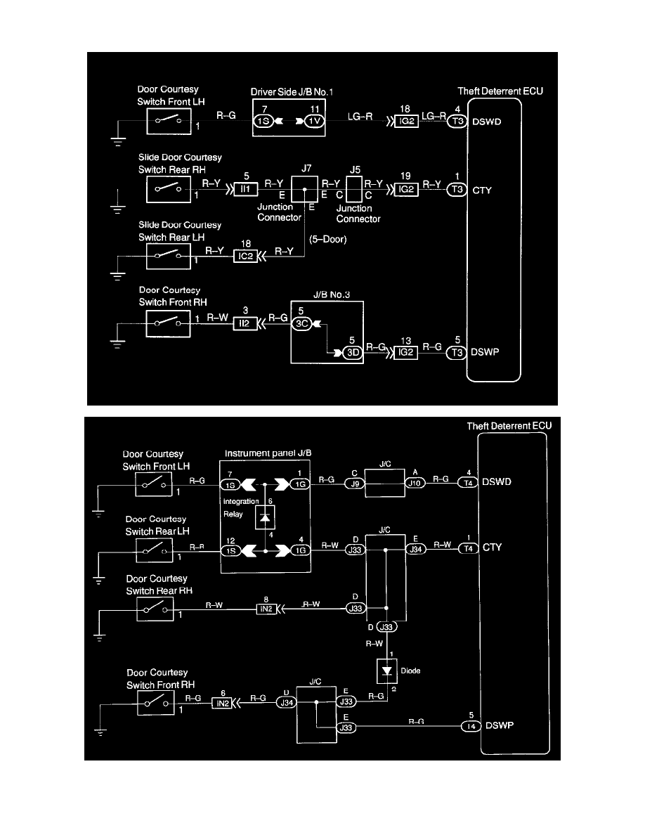
Door Sensor/Switch (For Alarm): Electrical Diagrams
Accessories and Optional Equipment
Antitheft and Alarm Systems
Door Sensor/Switch (For Alarm) / Diagrams / Diagram Information and Instructions
Page 7508
Diagram Information and Instructions|Page 7509 >
< Diagram Information and Instructions|Page 7507