Toyota Workshop Service and Repair Manuals
HOME
FEATURES
MENU
INDEX
ABOUT US
Diagram Information and Instructions|Page 5941 >
< Diagram Information and Instructions|Page 5939
Camry CE Sedan L4-2164cc 2.2L DOHC (5S-FE) MFI (1999)
Brakes and Traction Control
Hydraulic System, Brakes
Hydraulic Control Assembly - Antilock Brakes / Diagrams / Diagram Information and Instructions
Page 5940
Page 1
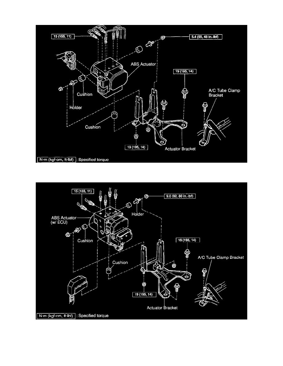
Hydraulic Control Assembly - Antilock Brakes: Exploded Views
ABS (TMMK/Bosch Made)
PART 1 OF 2
Brakes and Traction Control
Hydraulic System, Brakes
Hydraulic Control Assembly - Antilock Brakes / Diagrams / Diagram Information and Instructions
Page 5940
Diagram Information and Instructions|Page 5941 >
< Diagram Information and Instructions|Page 5939