Toyota Workshop Service and Repair Manuals
HOME
FEATURES
MENU
INDEX
ABOUT US
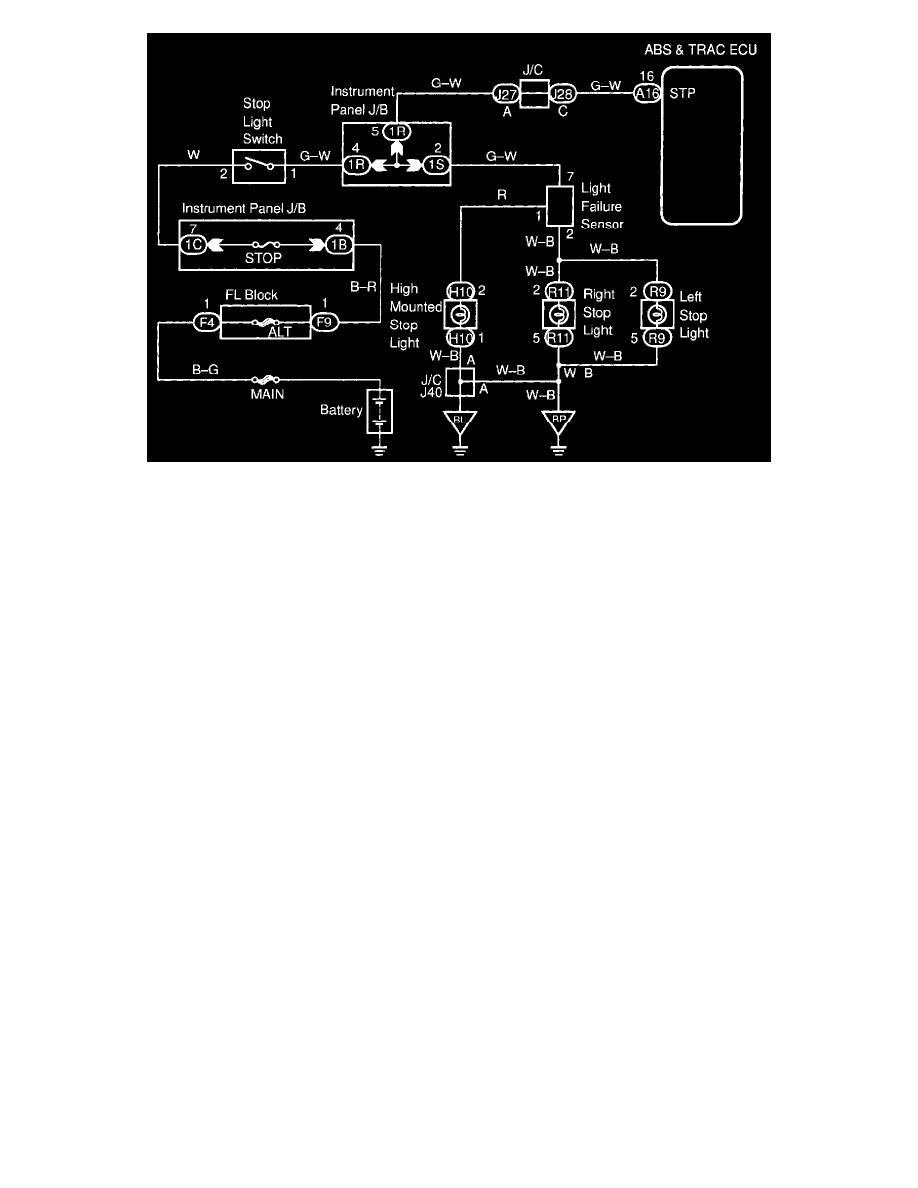
Parking Brake Warning Switch >
< Diagram Information and Instructions|Page 6097
Camry CE Sedan L4-2164cc 2.2L DOHC (5S-FE) MFI (1999)
Brakes and Traction Control
Sensors and Switches - Brakes and Traction Control
Braking Sensor/Switch / Diagrams / Diagram Information and Instructions
Page 6098
Page 2
Brakes and Traction Control
Sensors and Switches - Brakes and Traction Control
Braking Sensor/Switch / Diagrams / Diagram Information and Instructions
Page 6098
Parking Brake Warning Switch >
< Diagram Information and Instructions|Page 6097