Toyota Workshop Service and Repair Manuals
HOME
FEATURES
MENU
INDEX
ABOUT US
Diagram Information and Instructions|Page 7385 >
< Diagram Information and Instructions|Page 7383
Camry CE Sedan L4-2164cc 2.2L DOHC (5S-FE) MFI (1999)
Restraint Systems
Seat Belt Systems
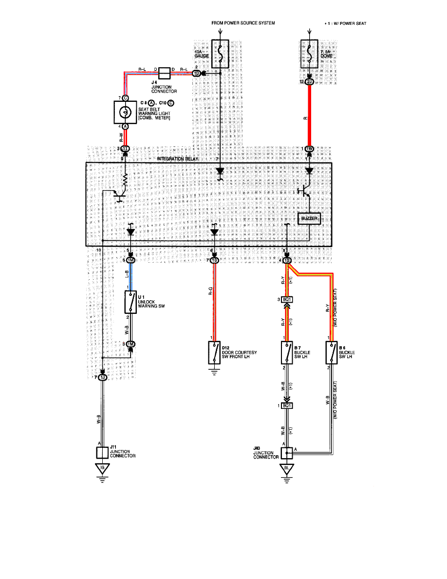
Seat Belt Warning Lamp <--> [Seat Belt Reminder Lamp] / Diagrams / Diagram Information and Instructions
Page 7384
Page 1
Restraint Systems
Seat Belt Systems
Seat Belt Warning Lamp <--> [Seat Belt Reminder Lamp] / Diagrams / Diagram Information and Instructions
Page 7384
Diagram Information and Instructions|Page 7385 >
< Diagram Information and Instructions|Page 7383