Camry CE Sedan L4-2164cc 2.2L DOHC (5S-FE) MFI (1999)
Overdrive Indicator Lamp: Testing and Inspection
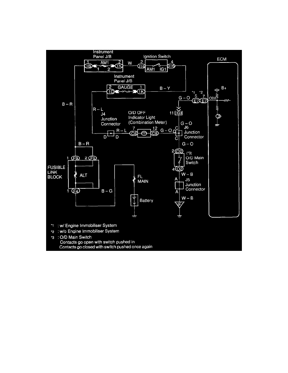
O/D Main Switch & O/D OFF Indictor Light Circuit
CIRCUIT DESCRIPTION
The O/D main switch contacts go open when the switch is pushed in and go closed when it is pushed out. If O/D main switch is at OFF position,
the O/D OFF indicator light lights up, and the ECM prohibits shifting overdrive.
WIRING DIAGRAM
INSPECTION PROCEDURE
