Toyota Workshop Service and Repair Manuals
HOME
FEATURES
MENU
INDEX
ABOUT US
Diagram Information and Instructions|Page 5177 >
< Diagram Information and Instructions|Page 5175
Camry Coupe 2-Door V6-3.0L (1MZ-FE) (1996)
Brakes and Traction Control
Brake Warning Indicator / Diagrams / Diagram Information and Instructions
Page 5176
Page 2
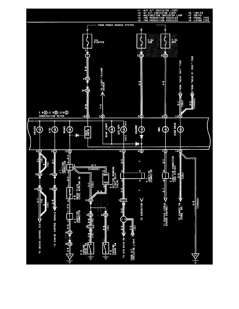
Combination Meter (Part 2 Of 3)
Brakes and Traction Control
Brake Warning Indicator / Diagrams / Diagram Information and Instructions
Page 5176
Diagram Information and Instructions|Page 5177 >
< Diagram Information and Instructions|Page 5175