Toyota Workshop Service and Repair Manuals
HOME
FEATURES
MENU
INDEX
ABOUT US
Diagram Information and Instructions|Page 6953 >
< Diagram Information and Instructions|Page 6951
Camry Coupe 2-Door V6-3.0L (1MZ-FE) (1996)
Instrument Panel, Gauges and Warning Indicators
Brake Warning Indicator / Diagrams / Diagram Information and Instructions
Page 6952
Page 1
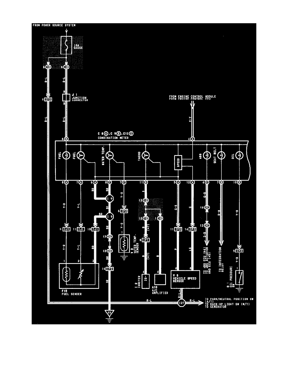
Brake Warning Indicator: Electrical Diagrams
Combination Meter (Part 1 Of 3)
Instrument Panel, Gauges and Warning Indicators
Brake Warning Indicator / Diagrams / Diagram Information and Instructions
Page 6952
Diagram Information and Instructions|Page 6953 >
< Diagram Information and Instructions|Page 6951