toyota Workshop Repair Guides

Toyota Workshop Service and Repair Manuals

Diagram Information and Instructions|Page 4893 > < Diagram Information and Instructions|Page 4891
Page 1
background image

Transmission Mode Switch: Testing and Inspection

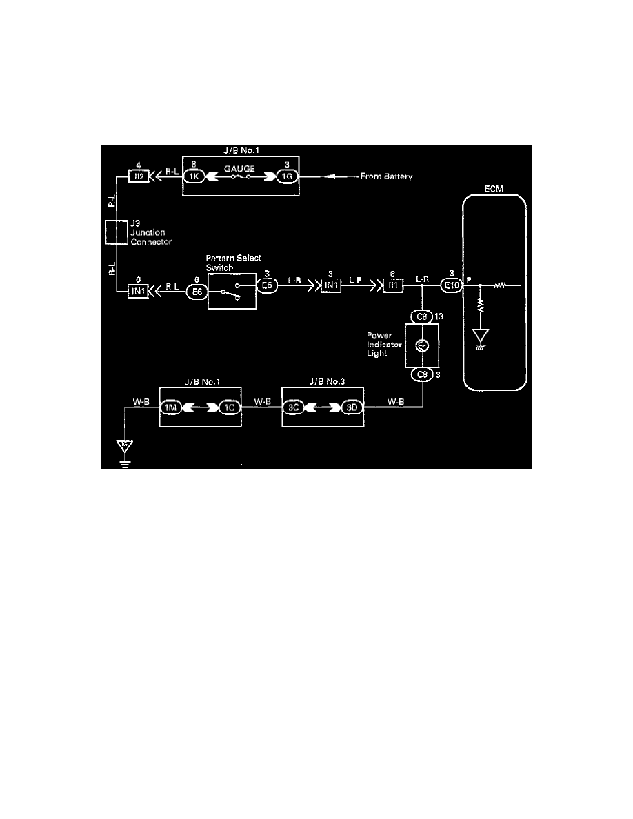
Pattern Select Switch Circuit 

CIRCUIT DESCRIPTION 

The ECM memory contains the shift programs for the NORMAL and POWER patterns, 2 position, and L position and the lock-up patterns.
Following the programs corresponding to the signals from the pattern select switch, the park/neutral position switch and other various sensors, the
ECM switches the solenoid valves ON and OFF, thereby controlling the transaxle gear change and the lock-up clutch operation.

WIRING DIAGRAM 

INSPECTION PROCEDURE 

Diagram Information and Instructions|Page 4893 > < Diagram Information and Instructions|Page 4891