Toyota Workshop Service and Repair Manuals
HOME
FEATURES
MENU
INDEX
ABOUT US
Diagram Information and Instructions|Page 5397 >
< Diagram Information and Instructions|Page 5395
Celica GT L4-1.8L (1ZZ-FE) (2001)
Instrument Panel, Gauges and Warning Indicators
Seat Belt Reminder Lamp / Component Information
Diagrams / Diagram Information and Instructions
Page 5396
Page 2
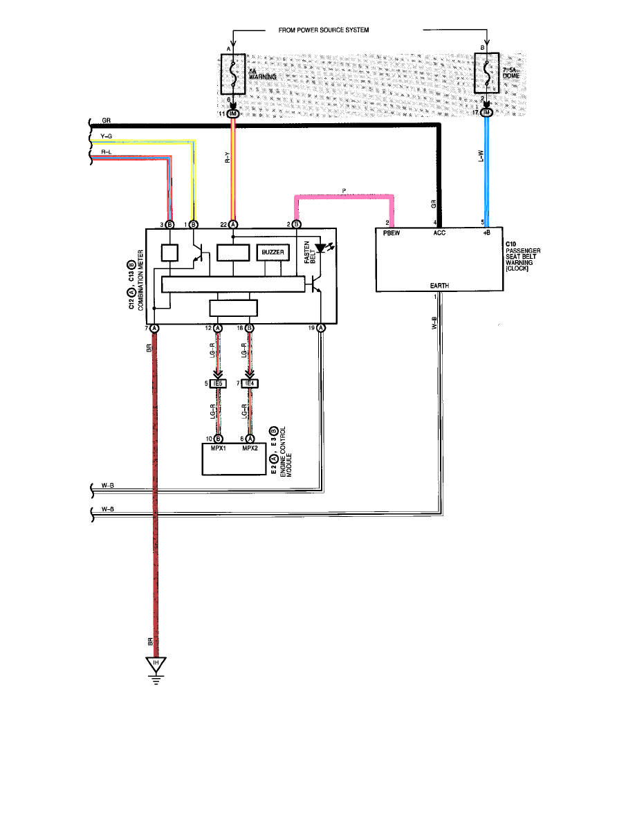
Key Reminder And Seat Belt Warning Part 2
Instrument Panel, Gauges and Warning Indicators
Seat Belt Reminder Lamp / Component Information
Diagrams / Diagram Information and Instructions
Page 5396
Diagram Information and Instructions|Page 5397 >
< Diagram Information and Instructions|Page 5395