Toyota Workshop Service and Repair Manuals
HOME
FEATURES
MENU
INDEX
ABOUT US
Initial Inspection and Diagnostic Overview|Page 1988 >
< Initial Inspection and Diagnostic Overview|Page 1986
Celica GT L4-1.8L (1ZZ-FE) (2001)
Powertrain Management
Computers and Control Systems
Body Control Module / Component Information
Testing and Inspection / Initial Inspection and Diagnostic Overview
Page 1987
Page 25
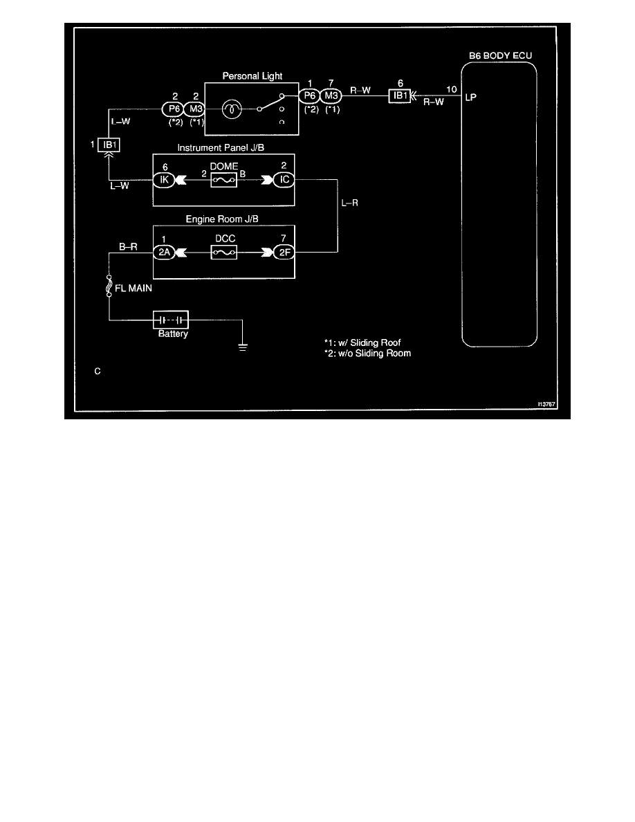
Wiring Diagram
Powertrain Management
Computers and Control Systems
Body Control Module / Component Information
Testing and Inspection / Initial Inspection and Diagnostic Overview
Page 1987
Initial Inspection and Diagnostic Overview|Page 1988 >
< Initial Inspection and Diagnostic Overview|Page 1986