Toyota Workshop Service and Repair Manuals
HOME
FEATURES
MENU
INDEX
ABOUT US
Initial Inspection and Diagnostic Overview|Page 2003 >
< Initial Inspection and Diagnostic Overview|Page 2001
Celica GT L4-1.8L (1ZZ-FE) (2001)
Powertrain Management
Computers and Control Systems
Body Control Module / Component Information
Testing and Inspection / Initial Inspection and Diagnostic Overview
Page 2002
Page 40
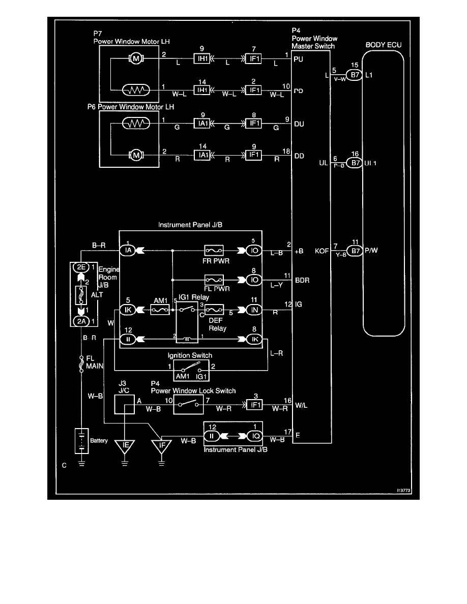
Wiring Diagram
Powertrain Management
Computers and Control Systems
Body Control Module / Component Information
Testing and Inspection / Initial Inspection and Diagnostic Overview
Page 2002
Initial Inspection and Diagnostic Overview|Page 2003 >
< Initial Inspection and Diagnostic Overview|Page 2001