Toyota Workshop Service and Repair Manuals
HOME
FEATURES
MENU
INDEX
ABOUT US
Initial Inspection and Diagnostic Overview|Page 1644 >
< Initial Inspection and Diagnostic Overview|Page 1642
Celica GT L4-1.8L (1ZZ-FE) (2001)
Powertrain Management
Relays and Modules - Powertrain Management / Relays and Modules - Computers and Control Systems / Body Control Module / Component Information
Testing and Inspection / Initial Inspection and Diagnostic Overview
Page 1643
Page 43
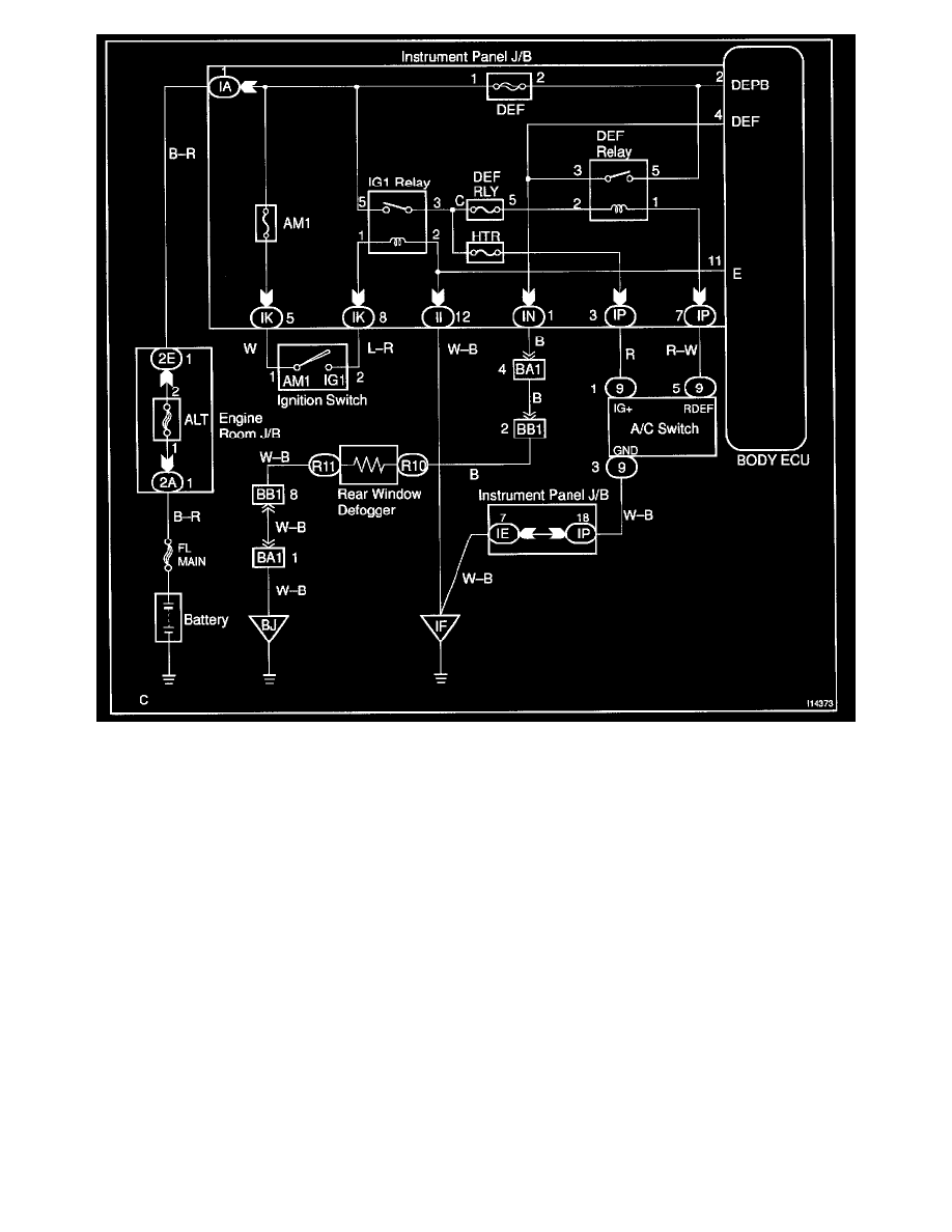
Wiring Diagram
Powertrain Management
Relays and Modules - Powertrain Management / Relays and Modules - Computers and Control Systems / Body Control Module / Component Information
Testing and Inspection / Initial Inspection and Diagnostic Overview
Page 1643
Initial Inspection and Diagnostic Overview|Page 1644 >
< Initial Inspection and Diagnostic Overview|Page 1642