Toyota Workshop Service and Repair Manuals
HOME
FEATURES
MENU
INDEX
ABOUT US
Initial Inspection and Diagnostic Overview|Page 175 >
< Initial Inspection and Diagnostic Overview|Page 173
Celica GT L4-1.8L (1ZZ-FE) (2001)
Relays and Modules
Relays and Modules - Powertrain Management / Relays and Modules - Computers and Control Systems / Body Control Module / Component Information
Testing and Inspection / Initial Inspection and Diagnostic Overview
Page 174
Page 43
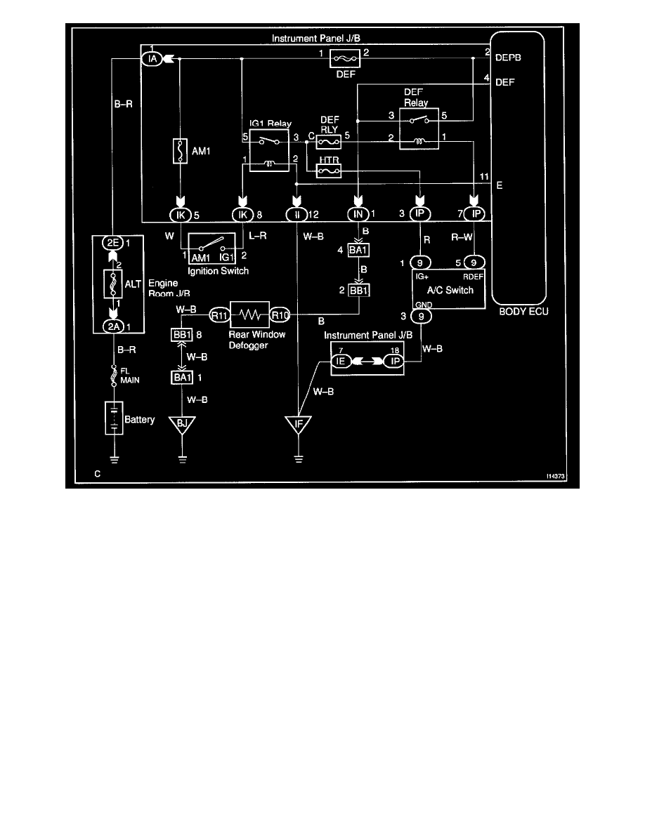
Wiring Diagram
Relays and Modules
Relays and Modules - Powertrain Management / Relays and Modules - Computers and Control Systems / Body Control Module / Component Information
Testing and Inspection / Initial Inspection and Diagnostic Overview
Page 174
Initial Inspection and Diagnostic Overview|Page 175 >
< Initial Inspection and Diagnostic Overview|Page 173