Toyota Workshop Service and Repair Manuals
HOME
FEATURES
MENU
INDEX
ABOUT US
Diagram Information and Instructions|Page 4636 >
< Diagram Information and Instructions|Page 4634
Celica GT L4-1.8L (1ZZ-FE) (2001)
Restraint Systems
Seat Belt Systems
Seat Belt Reminder Buzzer / Component Information
Diagrams / Diagram Information and Instructions
Page 4635
Page 2
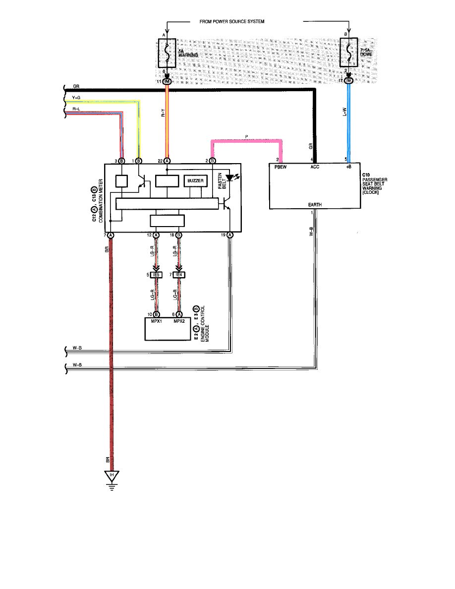
Key Reminder And Seat Belt Warning Part 2
Restraint Systems
Seat Belt Systems
Seat Belt Reminder Buzzer / Component Information
Diagrams / Diagram Information and Instructions
Page 4635
Diagram Information and Instructions|Page 4636 >
< Diagram Information and Instructions|Page 4634