Toyota Workshop Service and Repair Manuals
HOME
FEATURES
MENU
INDEX
ABOUT US
Diagram Information and Instructions|Page 3701 >
< Diagram Information and Instructions|Page 3699
Celica GT L4-1.8L (1ZZ-FE) (2001)
Starting and Charging
Power and Ground Distribution
Relays and Modules - Power and Ground Distribution / Relay Box / Component Information
Diagrams / Diagram Information and Instructions
Page 3700
Page 1
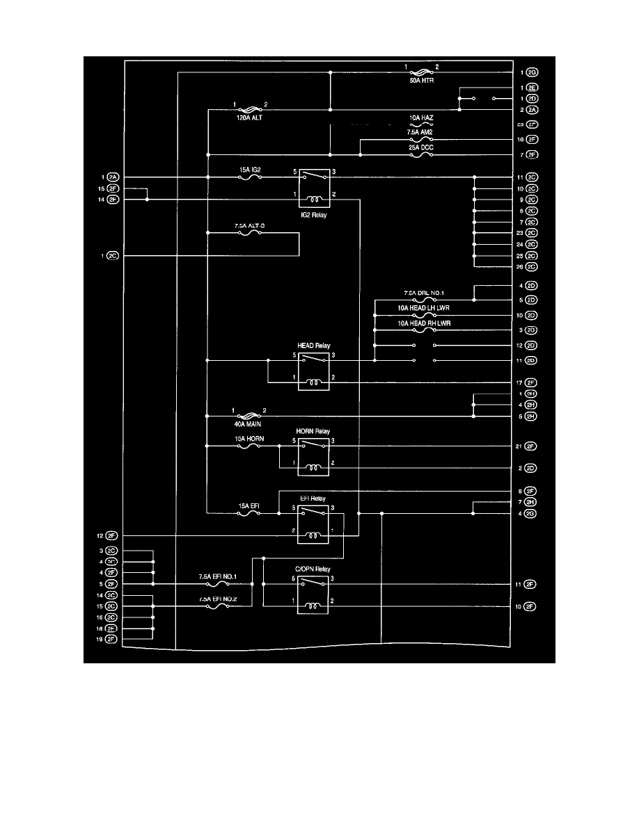
Relay Box: Electrical Diagrams
Engine Room J/B Inner Circuit (Part 1)
Starting and Charging
Power and Ground Distribution
Relays and Modules - Power and Ground Distribution / Relay Box / Component Information
Diagrams / Diagram Information and Instructions
Page 3700
Diagram Information and Instructions|Page 3701 >
< Diagram Information and Instructions|Page 3699