Toyota Workshop Service and Repair Manuals
HOME
FEATURES
MENU
INDEX
ABOUT US
Diagram Information and Instructions|Page 3955 >
< Diagram Information and Instructions|Page 3953
Celica GT L4-1.8L (1ZZ-FE) (2001)
Steering and Suspension
Steering
Steering Column
Key Reminder Switch / Component Information
Diagrams / Diagram Information and Instructions
Page 3954
Page 2
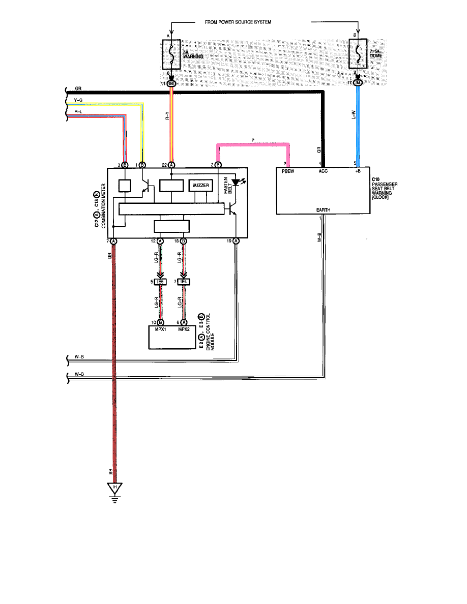
Key Reminder And Seat Belt Warning Part 2
Steering and Suspension
Steering
Steering Column
Key Reminder Switch / Component Information
Diagrams / Diagram Information and Instructions
Page 3954
Diagram Information and Instructions|Page 3955 >
< Diagram Information and Instructions|Page 3953