Celica GT L4-1.8L (1ZZ-FE) (2001)
Transmission Mode Indicator - A/T: Electrical Diagrams
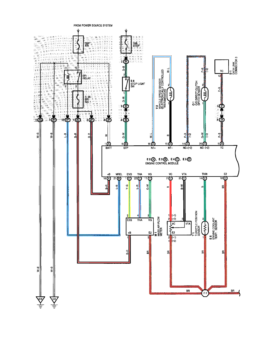
Electronically Controlled Transmission And A/T Indicator Part 1
Transmission Mode Indicator - A/T: Electrical Diagrams
Electronically Controlled Transmission And A/T Indicator Part 1