Toyota Workshop Service and Repair Manuals
HOME
FEATURES
MENU
INDEX
ABOUT US
Diagram Information and Instructions|Page 2950 >
< Diagram Information and Instructions|Page 2948
Celica GT L4-1.8L (1ZZ-FE) (2001)
Transmission and Drivetrain
Automatic Transmission/Transaxle
Lamps and Indicators - A/T / Transmission Mode Indicator - A/T / Component Information
Diagrams / Diagram Information and Instructions
Page 2949
Page 4
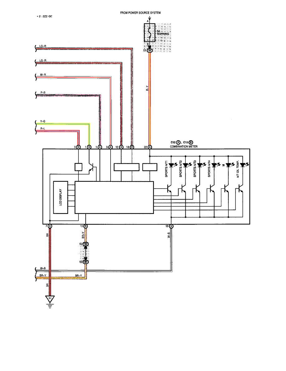
Electronically Controlled Transmission And A/T Indicator Part 4
Transmission and Drivetrain
Automatic Transmission/Transaxle
Lamps and Indicators - A/T / Transmission Mode Indicator - A/T / Component Information
Diagrams / Diagram Information and Instructions
Page 2949
Diagram Information and Instructions|Page 2950 >
< Diagram Information and Instructions|Page 2948