Toyota Workshop Service and Repair Manuals
HOME
FEATURES
MENU
INDEX
ABOUT US
Diagram Information and Instructions|Page 5000 >
< Diagram Information and Instructions|Page 4998
Corolla Wagon L4-107.5 1762cc 1.8L DOHC (7A-FE) (1993)
Windows and Glass
Heated Glass Element / Heated Glass Indicator / Diagrams / Diagram Information and Instructions
Page 4999
Page 3
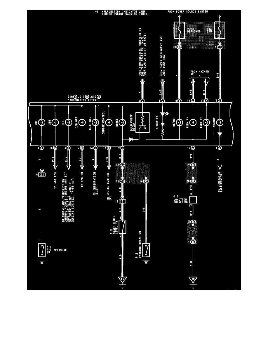
Instrument Panel (Combination Meter)
Windows and Glass
Heated Glass Element / Heated Glass Indicator / Diagrams / Diagram Information and Instructions
Page 4999
Diagram Information and Instructions|Page 5000 >
< Diagram Information and Instructions|Page 4998