toyota Workshop Repair Guides

Toyota Workshop Service and Repair Manuals

SLIP Indicator Light Circuit|Page 3528 > < ABS/TCS - Zero Point Calibration Information|Page 3523
Page 1
background image

Traction Control Indicator Lamp: Testing and Inspection
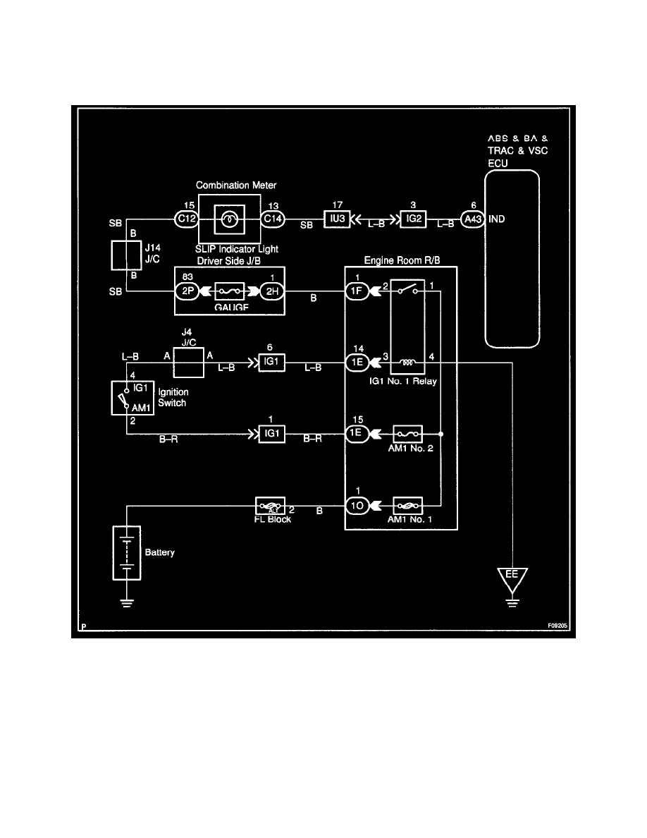
SLIP Indicator Light Circuit

CIRCUIT DESCRIPTION

The SLIP indicator blinks during VSC operation.

WIRING DIAGRAM

SLIP Indicator Light Circuit|Page 3528 > < ABS/TCS - Zero Point Calibration Information|Page 3523