toyota Workshop Repair Guides

Toyota Workshop Service and Repair Manuals

Malfunction Indicator Lamp|Testing and Inspection|Page 1687 > < Maintenance Required Lamp/Indicator|Service and Repair
Page 1
background image

Malfunction Indicator Lamp: Testing and Inspection

2AZ-FE ENGINE CONTROL: SFI SYSTEM: MIL Circuit

MIL Circuit

DESCRIPTION

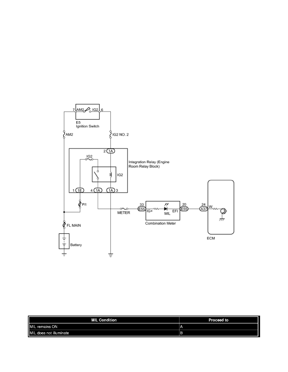
The MIL (Malfunction Indicator Lamp) is used to indicate vehicle malfunction detections by the ECM. When the ignition switch is turned to ON, power
is supplied to the MIL circuit, and the ECM provides the circuit ground which illuminates the MIL.
The MIL operation can be checked visually: When the ignition switch is first turned to ON, the MIL should illuminate and should then turn off. If the
MIL remains illuminated or does not illuminate, conduct the following troubleshooting procedure using the Techstream.

WIRING DIAGRAM

INSPECTION PROCEDURE

PROCEDURE

1. CHECK THAT MIL ILLUMINATES

(a) Perform troubleshooting in accordance with the table below.

Result:

B -- CHECK THAT MIL IS ILLUMINATED
A -- Continue to next step.

Malfunction Indicator Lamp|Testing and Inspection|Page 1687 > < Maintenance Required Lamp/Indicator|Service and Repair