Matrix AWD L4-2.4L (2AZ-FE) (2009)
Malfunction Indicator Lamp: Testing and Inspection
2AZ-FE ENGINE CONTROL: SFI SYSTEM: MIL Circuit
MIL Circuit
DESCRIPTION
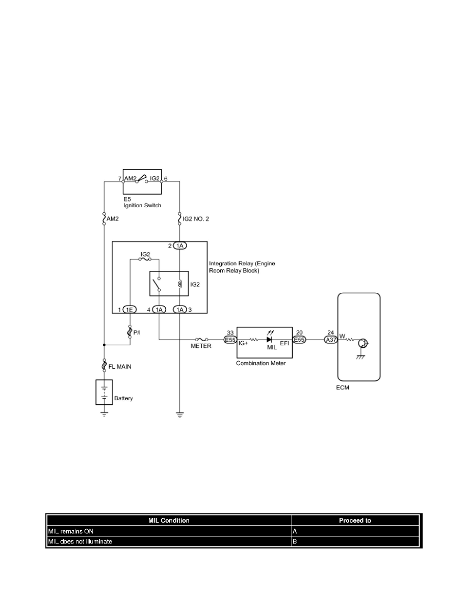
The MIL (Malfunction Indicator Lamp) is used to indicate vehicle malfunction detections by the ECM. When the ignition switch is turned to ON, power
is supplied to the MIL circuit, and the ECM provides the circuit ground which illuminates the MIL.
The MIL operation can be checked visually: When the ignition switch is first turned to ON, the MIL should illuminate and should then turn off. If the
MIL remains illuminated or does not illuminate, conduct the following troubleshooting procedure using the Techstream.
WIRING DIAGRAM
INSPECTION PROCEDURE
PROCEDURE
1. CHECK THAT MIL ILLUMINATES
(a) Perform troubleshooting in accordance with the table below.
Result:
B -- CHECK THAT MIL IS ILLUMINATED
A -- Continue to next step.
