Toyota Workshop Service and Repair Manuals
HOME
FEATURES
MENU
INDEX
ABOUT US
Diagram Information and Instructions|Page 7458 >
< Diagram Information and Instructions|Page 7456
RAV4 4WD L4-2.5L (2AR-FE) (2009)
Accessories and Optional Equipment
Navigation System / Component Information
Diagrams / Diagram Information and Instructions
Page 7457
Page 1
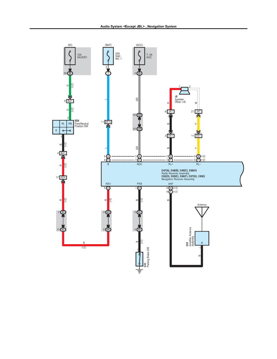
Navigation System: Electrical Diagrams
Audio System [Except JBL], Navigation System Part 1
Accessories and Optional Equipment
Navigation System / Component Information
Diagrams / Diagram Information and Instructions
Page 7457
Diagram Information and Instructions|Page 7458 >
< Diagram Information and Instructions|Page 7456