Toyota Workshop Service and Repair Manuals
HOME
FEATURES
MENU
INDEX
ABOUT US
Diagram Information and Instructions|Page 6566 >
< Diagram Information and Instructions|Page 6564
Sequoia 2WD V8-4.7L (2UZ-FE) (2003)
Accessories and Optional Equipment
Trailer Connector / Component Information
Diagrams / Diagram Information and Instructions
Page 6565
Page 2
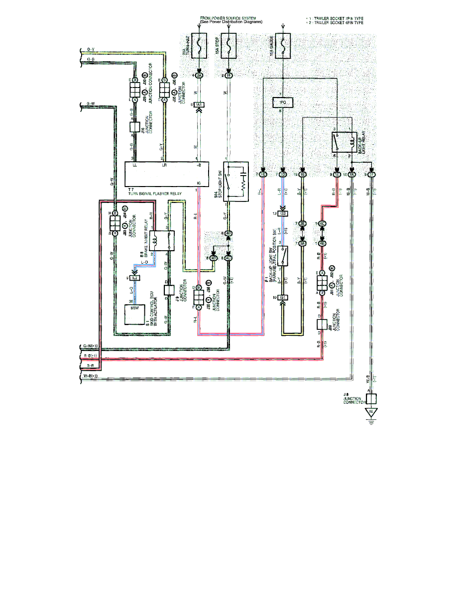
Trailer Towing Part 2
Accessories and Optional Equipment
Trailer Connector / Component Information
Diagrams / Diagram Information and Instructions
Page 6565
Diagram Information and Instructions|Page 6566 >
< Diagram Information and Instructions|Page 6564