Toyota Workshop Service and Repair Manuals
HOME
FEATURES
MENU
INDEX
ABOUT US
Diagram Information and Instructions|Page 4970 >
< Diagram Information and Instructions|Page 4968
Sequoia 2WD V8-4.7L (2UZ-FE) (2003)
Power and Ground Distribution
Auxiliary Power Outlet / Component Information
Diagrams / Diagram Information and Instructions
Page 4969
Page 3
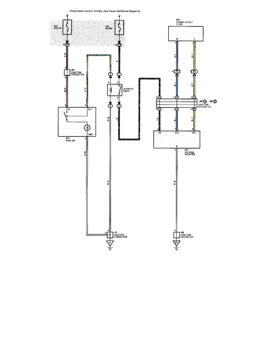
Power Outlet (115V)
Power and Ground Distribution
Auxiliary Power Outlet / Component Information
Diagrams / Diagram Information and Instructions
Page 4969
Diagram Information and Instructions|Page 4970 >
< Diagram Information and Instructions|Page 4968