Sequoia 2WD V8-4.7L (2UZ-FE) (2003)
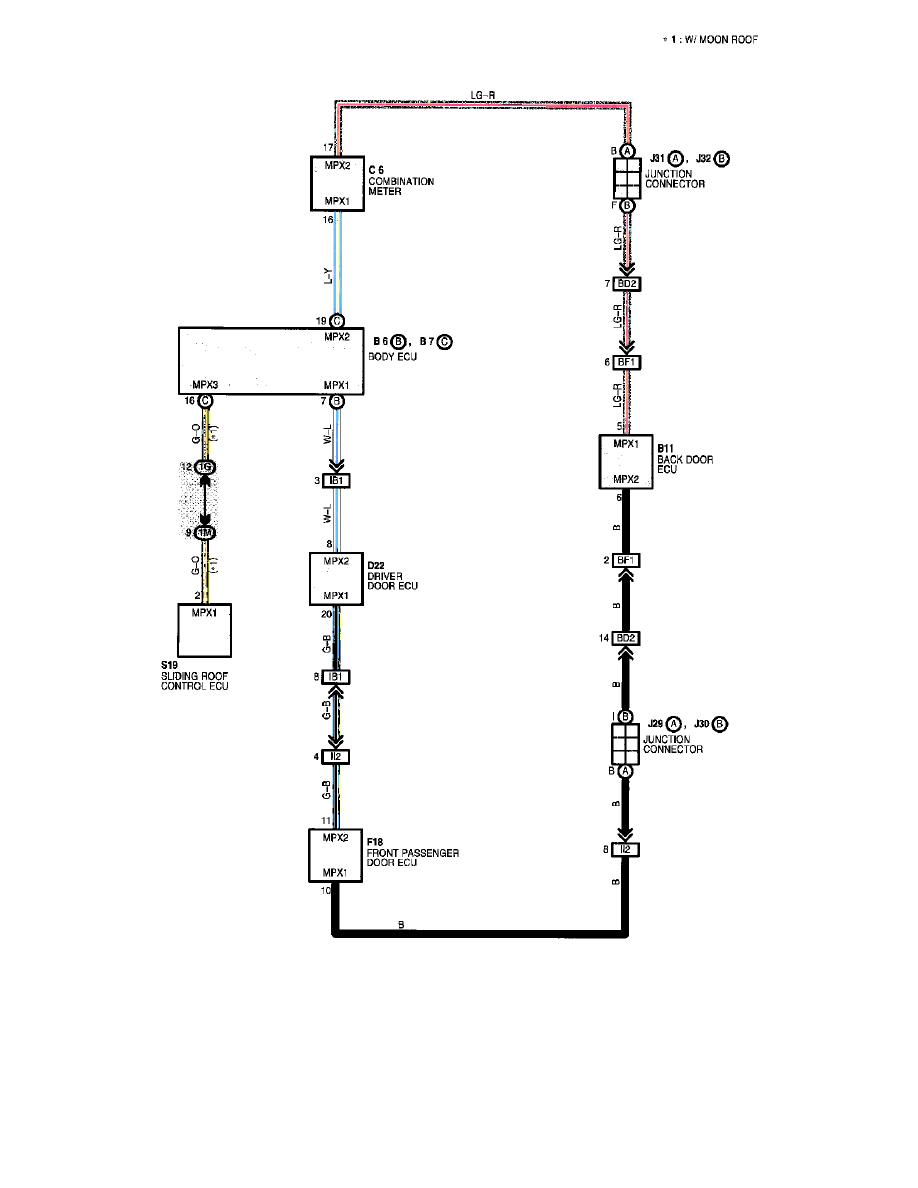
Multiplex Communication System (Communication Bus)
Locations: The locations of components, connectors, ground points, and splices referred to within these diagrams can be found at Vehicle Locations.
See: Locations
Connectors Views: The connector views for connectors referred to within these diagrams can be found at the Vehicle level Connector Views. See:
Diagrams/Connector Views
