Toyota Workshop Service and Repair Manuals
HOME
FEATURES
MENU
INDEX
ABOUT US
Diagram Information and Instructions|Page 2703 >
< Diagram Information and Instructions|Page 2701
Sequoia 2WD V8-4.7L (2UZ-FE) (2003)
Powertrain Management
Computers and Control Systems
Information Bus / Component Information
Diagrams / Diagram Information and Instructions
Page 2702
Page 8
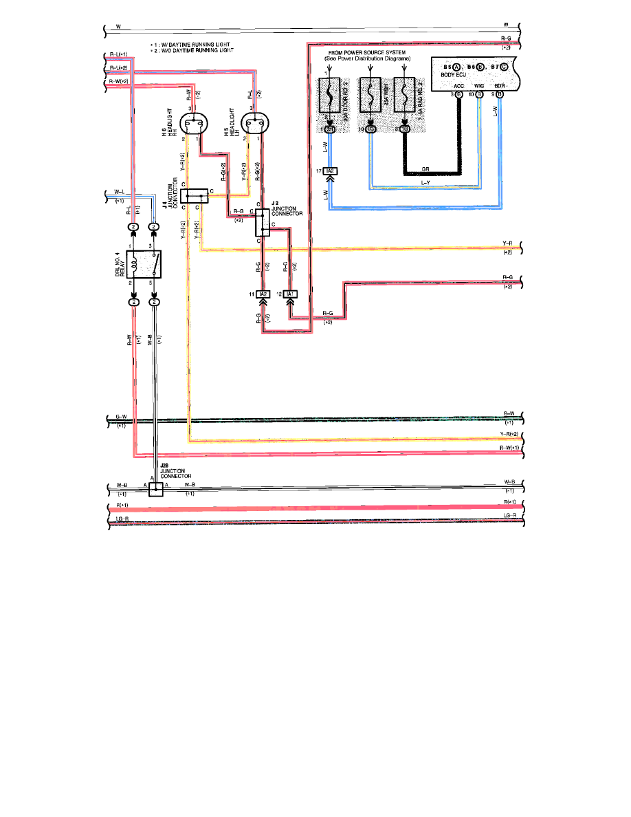
Multiplex Communication System Part 2
Powertrain Management
Computers and Control Systems
Information Bus / Component Information
Diagrams / Diagram Information and Instructions
Page 2702
Diagram Information and Instructions|Page 2703 >
< Diagram Information and Instructions|Page 2701