Sequoia 4WD V8-4.7L (2UZ-FE) (2006)
Speedometer Head: Testing and Inspection
Speedometer Malfunction
Speedometer Malfunction
DESCRIPTION
The speedometer detects vehicle speed based on a 4-pulse signal from the vehicle speed sensor.
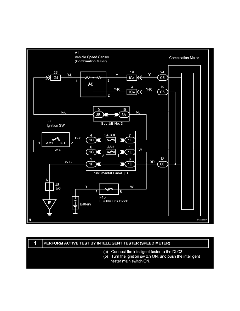
Wiring Diagram
Step 1
