Toyota Workshop Service and Repair Manuals
HOME
FEATURES
MENU
INDEX
ABOUT US
Component Tests and General Diagnostics|Page 2511 >
< Component Tests and General Diagnostics|Page 2509
Sequoia 4WD V8-4.7L (2UZ-FE) (2006)
Powertrain Management
Computers and Control Systems
Engine Control Module / Component Information
Testing and Inspection / Component Tests and General Diagnostics
Page 2510
Page 3
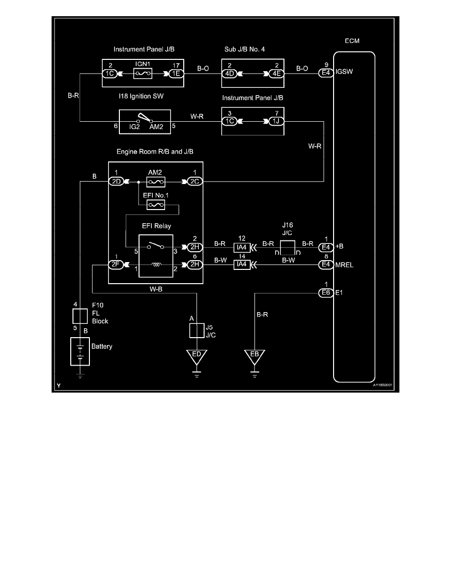
Wiring Diagram
Powertrain Management
Computers and Control Systems
Engine Control Module / Component Information
Testing and Inspection / Component Tests and General Diagnostics
Page 2510
Component Tests and General Diagnostics|Page 2511 >
< Component Tests and General Diagnostics|Page 2509