toyota Workshop Repair Guides

Toyota Workshop Service and Repair Manuals

Diagram Information and Instructions|Page 5529 > < Condenser Fan Motor Relay, HVAC|Locations|Page 5524
Page 1
background image

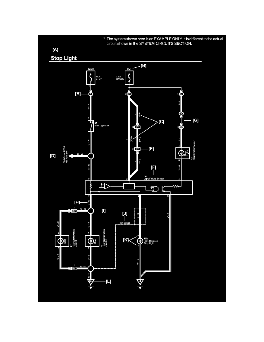
Control Assembly: Diagram Information and Instructions

Key to Diagrams

[A] : System Title

[B] : Indicates a Relay Block. No shading is used and only the Relay Block No. is shown to distinguish it from the J/B

Diagram Information and Instructions|Page 5529 > < Condenser Fan Motor Relay, HVAC|Locations|Page 5524