Solara L4-2.4L (2AZ-FE) (2006)
/Page-321001.png)
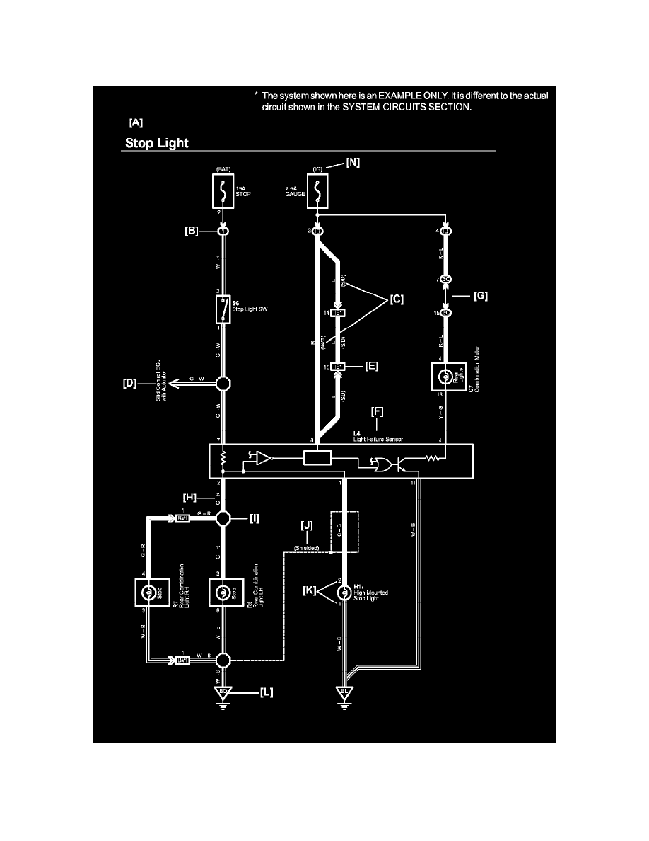
Relay Box: Diagram Information and Instructions
Key to Diagrams
[A] : System Title
[B] : Indicates a Relay Block. No shading is used and only the Relay Block No. is shown to distinguish it from the J/B
Relay Box: Diagram Information and Instructions
Key to Diagrams
[A] : System Title
[B] : Indicates a Relay Block. No shading is used and only the Relay Block No. is shown to distinguish it from the J/B