Solara L4-24L (2AZ-FE) Alternator Component Diagrams - Information & Instructions
/Page-915001.png)
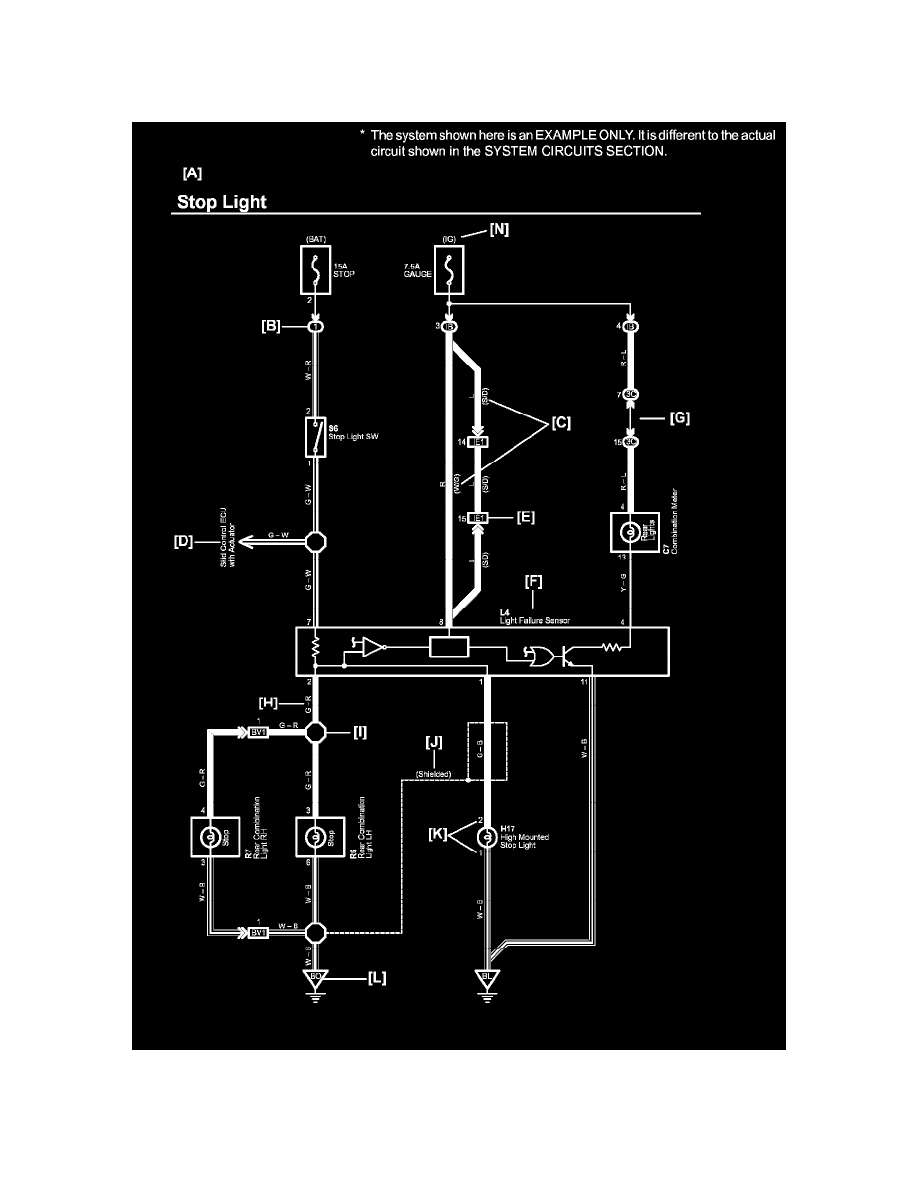
Alternator: Diagram Information and Instructions
Key to Diagrams
[A] : System Title
[B] : Indicates a Relay Block. No shading is used and only the Relay Block No. is shown to distinguish it from the J/B