toyota Workshop Repair Guides

Toyota Workshop Service and Repair Manuals

Diagram Information and Instructions|Page 4420 > < Power and Ground Distribution|Locations|Page 4417
Page 1
background image

Fuse: Diagram Information and Instructions

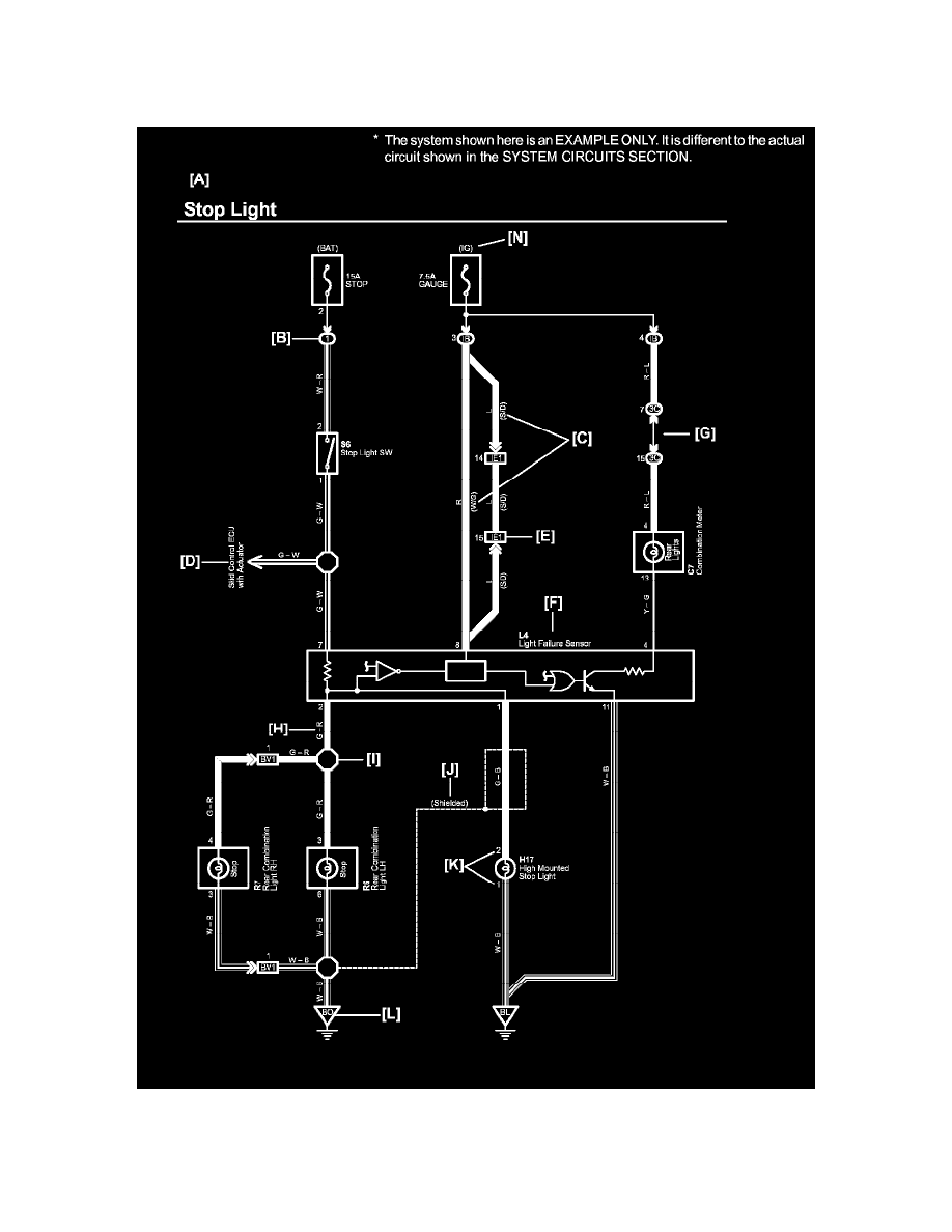
Key to Diagrams

[A] : System Title

[B] : Indicates a Relay Block. No shading is used and only the Relay Block No. is shown to distinguish it from the J/B

Diagram Information and Instructions|Page 4420 > < Power and Ground Distribution|Locations|Page 4417