Tacoma 2WD L4-2.7L (2TR-FE) (2005)
/Page-1347001.png)
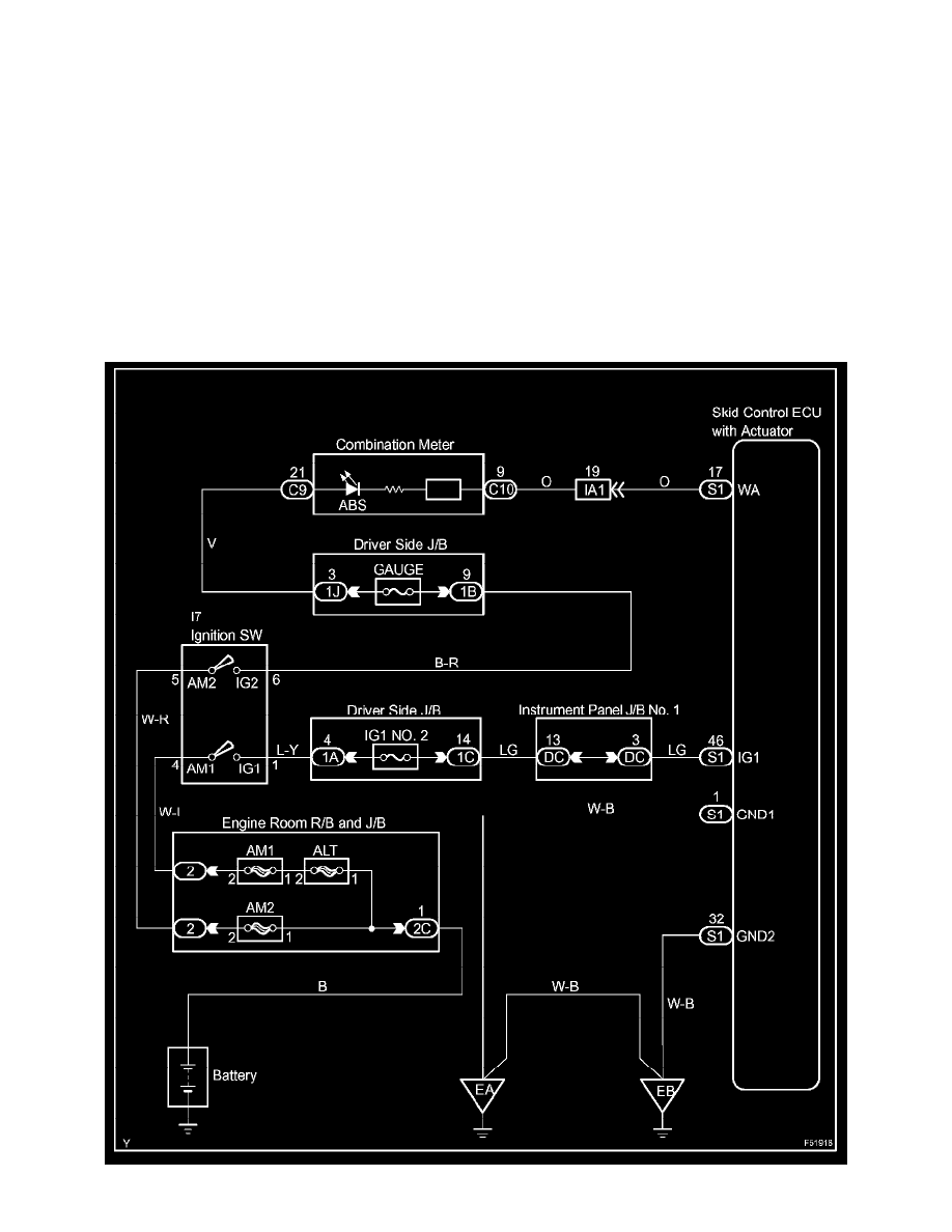
ABS Light: Testing and Inspection
ABS With EBD System
ABS Warning Light Circuit (Remains On)
ABS WARNING LIGHT CIRCUIT (REMAINS ON)
CIRCUIT DESCRIPTION
If any of the following is detected, the ABS warning light remains ON.
1. The skid control ECU connectors are disconnected from the skid control ECU.
2. There is a malfunction in the skid control ECU internal circuit.
3. There is an open in the harness between the combination meter and skid control ECU.
HINT:
-
When reading DTCs by SST (CHECK WIRE), if the ABS warning light remains on, troubleshoot by following the inspection flow.
-
The hand-held tester may not be usable when there is a malfunction in the skid control ECU.