Tacoma 2WD L4-2.7L (2TR-FE) (2005)
/Page-949001.png)
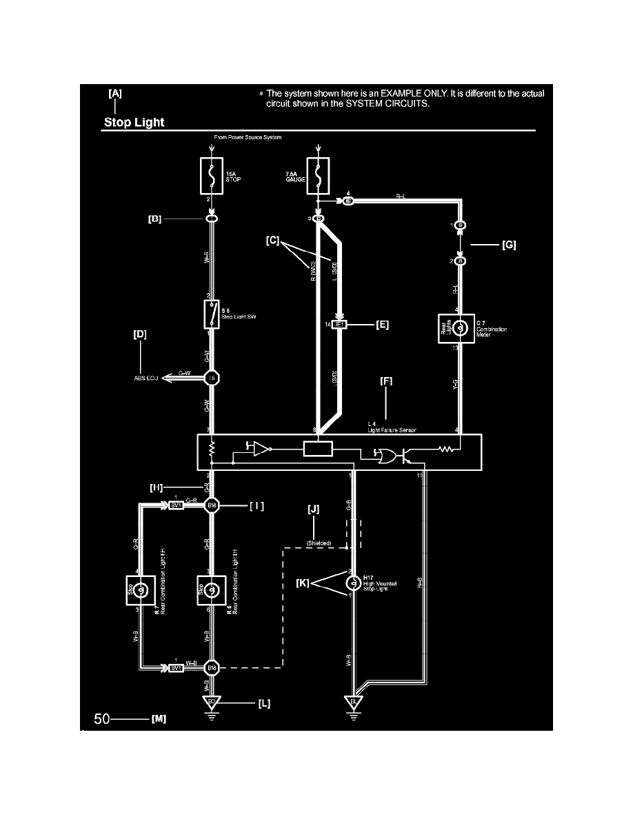
Relay Box: Diagram Information and Instructions
Key to Diagrams
A: System Title
B: Indicates a Relay Block. No shading is used and only the Relay Block No. is shown to distinguish it from the J/B
Relay Box: Diagram Information and Instructions
Key to Diagrams
A: System Title
B: Indicates a Relay Block. No shading is used and only the Relay Block No. is shown to distinguish it from the J/B