Toyota Workshop Service and Repair Manuals
HOME
FEATURES
MENU
INDEX
ABOUT US
Diagram Information and Instructions|Page 9137 >
< Diagram Information and Instructions|Page 9135
Tundra 4WD V8-4.6L (1UR-FE) (2010)
Accessories and Optional Equipment
Trailer Connector / Diagrams / Diagram Information and Instructions
Page 9136
Page 4
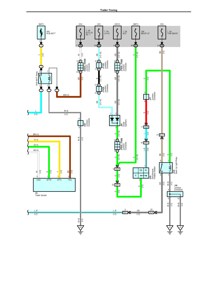
Trailer Towing Part 4
Accessories and Optional Equipment
Trailer Connector / Diagrams / Diagram Information and Instructions
Page 9136
Diagram Information and Instructions|Page 9137 >
< Diagram Information and Instructions|Page 9135