Golf Mk4
|

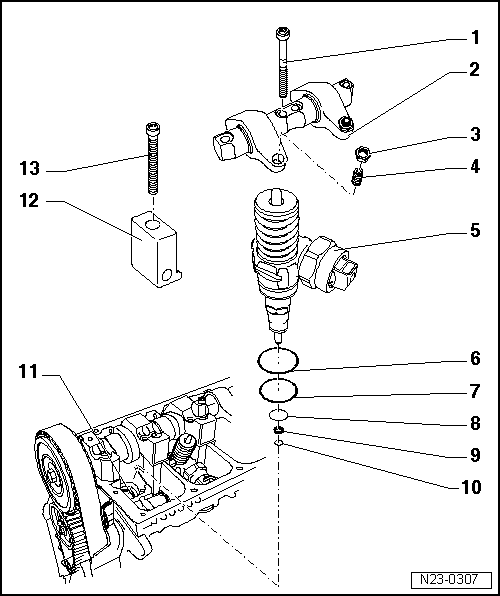
| 1 - | 20 Nm + turn 90° further |
| q | Renew |
| q | Note sequence when loosening and tightening → Chapter Removing and installing unit injector |
| 2 - | Rocker arm shaft |
| q | With rocker arm. |
| q | Removing and installing → Chapter, Removing and installing unit injector. |
| 3 - | Lock nut, 30 Nm |
| 4 - | Adjustment screw |
| q | Renew if installing new unit injector or if signs of wear are evident |
| q | Adjusting → Chapter Removing and installing unit injector |
| 5 - | Unit injector |
| q | Check ball pin for signs of wear, replace if necessary. |
| q | Removing and installing → Chapter |
| 6 - | O-ring |
| q | Renew → Chapter. |
| 7 - | O-ring |
| q | Renew → Chapter. |
| 8 - | O-ring |
| q | Renew → Chapter. |
| 9 - | Heat insulation seal |
| q | Renew |
| 10 - | Circlip |
| 11 - | Cylinder head |
| 12 - | Tensioning block |
| 13 - | 12 Nm + turn 270° further. |
| q | Renew |
