Golf Mk6
| Assembly overview - hydraulics (LHD) |

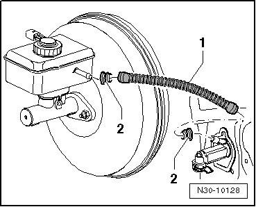
| 1 - | Brake fluid reservoir |
| 2 - | Spring-type clip |
| q | Not fitted in all vehicles |
| 3 - | Supply hose |
| q | Rubber |
| q | From 12 05, plastic → Fig. |
| q | Golf 2009 ►, Golf Plus 2009 ► and Scirocco made from plastic → Fig. |
| 4 - | Master cylinder |
| q | Removing and installing → Chapter |
| 5 - | Clip |
| q | Pull out clip to stop to remove and install pipe/hose line or hose assembly |
| q | Pulled out to side on some master cylinders |
| 6 - | Seal / O-ring |
| q | Pull onto line connection |
| q | Insert with brake fluid |
| q | Seals/O-rings are adapted to configuration of line connection → Fig. |
| q | Allocation → Electronic parts catalogue „ETKA“ |
| 7 - | Retainer |
| q | To remove and install, separate master cylinder from clutch pedal (⇒ Removing and installing clutch pedal) |
| q | Golf 2004 ► → Chapter |
| q | Golf 2009 ► and Scirocco → Chapter |
| q | Golf Plus → Chapter |
| 8 - | Clutch pedal |
| q | Removing and installing, Golf 2004 ► → Chapter |
| q | Removing and installing, Golf 2009 ► and Scirocco → Chapter |
| q | Removing and installing, Golf Plus → Chapter |
| 9 - | Hexagon nut, → Item |
| 10 - | Pipe/hose line |
| q | Allocation → Electronic parts catalogue „ETKA“ |
| q | To remove, remove battery and battery tray → Electrical system; Rep. gr.27. |
| 11 - | Bracket |
| q | For pipe/hose line → Item |
| q | Secured to body |
| q | Hidden by engine/gearbox mounting |
| q | Retainer identification → Fig. |
| 12 - | Pipe line |
| q | Allocation → Electronic parts catalogue „ETKA“ |
| q | To remove, remove battery and battery tray → Electrical system; Rep. gr.27. |
| 13 - | Bracket |
| q | for pipe assembly → Item |
| q | Secured to body |
| q | Hidden by engine/gearbox mounting |
| q | Retainer identification → Fig. |
| 14 - | Seal / O-ring |
| q | Pull onto line connection |
| q | Insert with brake fluid |
| q | Seals/O-rings are adapted to configuration of line connection → Fig. |
| q | Allocation → Electronic parts catalogue „ETKA“ |
| 15 - | Breather |
| 16 - | Clip |
| q | Pull out clip to stop to remove and install pipe or line or bleeder |
| 17 - | Bleeder valve |
| q | Bleed clutch system → Chapter. |
| 18 - | Dust cap |
| 19 - | Slave cylinder |
| q | Can be renewed only with gearbox removed |
| q | Removing and installing, ⇒ Repairing clutch release mechanism, → Chapter |
| 20 - | Gearbox |
|
|
| Item | Material of line connection |
| 1 | Line connection with circumferential groove -arrow 1- |
| 2 | Line connection with shoulder -arrow 2- |
| 3 | Line connection with shoulder -arrow 2- and circumferential groove -arrow 3- |
|
|
|
|
|
| Dim. „a“ mm | Line configuration |
| 8 | Pipe line |
| 6 | Pipe/hose line |
