Golf Mk6
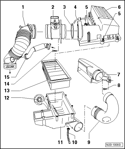
| Assembly overview - air filter, engine codes CBAA, CBBB, CBAB, CBBA, CBDB, CBDC, CBAC, CBDA |

| 1 - | Intake hose |
| q | To turbocharger. |
| 2 - | Air mass meter -G70- |
| 3 - | O-ring |
| q | Renew if damaged. |
| 4 - | Vacuum hose |
| q | To charge pressure control solenoid valve -N75-. |
| q | Vacuum hose schematic diagram → Chapter. |
| 5 - | 2 Nm |
| 6 - | Air filter upper part |
| 7 - | Intake air duct |
| q | Bolted to lock carrier. |
| 8 - | 2 Nm |
| 9 - | Air intake hose |
| 10 - | Water drainage pipe |
| 11 - | Air filter lower part |
| 12 - | 8 Nm |
| 13 - | Filter element |
| 14 - | 2 Nm |
| 15 - | Connecting pipe |
| q | From cylinder head cover. |
| q | For crankcase ventilation. |
