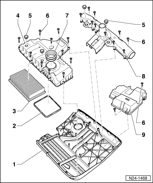
| Removing and installing air filter housing, engine code BCA |
| –
| Pull off hose from air filter housing to camshaft housing. |
| –
| Pull air filter housing from brackets and throttle valve module in -direction of arrow-. |
| Installation air filter is carried out in reverse order. |

Note | t
| Self-tapping screws are used as standard for securing air filter upper part to air filter lower part as well as for intake connecting pipe. When these screws are loosened or tightened using a power tool, the threads in the upper part of the air filter may be damaged. |
| t
| Therefore, the use of a power tool can only be allowed when: |
| t
| the maximum speed of the power tool is 200 rpm, |
| t
| a specified torque of max 3 Nm is set. |
|
|
|