Golf Mk6
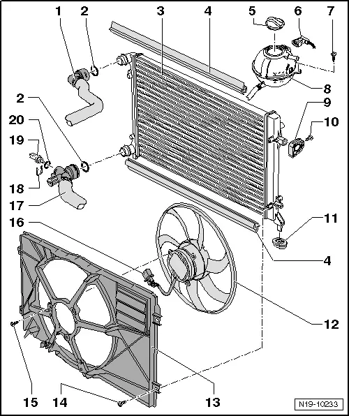
| Assembly overview - parts of cooling system, body side (radiator with one radiator fan) |

| 1 - | Top coolant hose |
| q | To connection on cylinder head |
| 2 - | O-ring |
| q | Renew if damaged. |
| 3 - | Radiator |
| q | Removing and installing → Chapter. |
| q | After renewing, renew entire coolant |
| 4 - | Gasket |
| q | Lower gasket not necessarily installed. |
| 5 - | Cap |
| q | Check using cooling system tester -V.A.G 1274 B- and adapter for cooling system tester -V.A.G 1274/9-. |
| q | Pressure relief valve must open at between 1.4 and 1.6 bar. |
| 6 - | Connector |
| 7 - | 5 Nm |
| 8 - | Expansion tank |
| q | Test cooling system for leaks using cooling system tester -V.A.G 1274 B- and adapter for cooling system tester -V.A.G 1274/8-. |
| 9 - | Radiator mounting |
| 10 - | 5 Nm |
| 11 - | Support |
| 12 - | Radiator fan -V7- |
| q | Removing and installing → Chapter. |
| q | With radiator fan control unit -J293- |
| 13 - | Cowling |
| 14 - | 5 Nm |
| 15 - | 5 Nm |
| 16 - | Connector |
| 17 - | Lower coolant hose |
| q | To connection for thermostat |
| 18 - | Securing clip |
| 19 - | Radiator outlet coolant temperature sender -G83- |
| 20 - | O-ring |
| q | Renew |
