volkswagen Workshop Repair Guides

Volkswagen Workshop Service and Repair Manuals

Leak detection in fuel system (engine codes CBFA, CCTA, CBTA, CBUA) > < Checking fuel tank breather (CDLG, CAVB, CAVC, CAVD, CBZA, CBZB)
Checking fuel system for leaks
Checking fuel system for leaks
→ Chapter „Leak detection in fuel system (engine codes CBFA, CCTA, CBTA, CBUA)“
→ Chapter „Functional overview - activated charcoal filter system (engine codes CBFA, CCTA, CBTA, CBUA)“
→ Chapter „Checking vacuum supply to fuel system diagnostic pump (engine codes CBFA, CCTA, CBTA, CBUA)“
Special tools and workshop equipment required
t  Fuel system tester (so-called smoke tester) -KLI 9210-
t  Adapter hose -KLI 9210/55-1-
t  Vehicle diagnosis tester
   
t  Hose clamps up to  25 mm -3094-
The push-on couplings for fuel, vacuum and breather lines are colour coded. There is either a coloured dot on the connector or the release button is coloured.
  W00-0079
Push-on couplingColour code on connector
Fuel supplyBlack
Fuel returnBlue
BreatherWhite, beige
VacuumGreen

Test prerequisite:
l  A leak has been detected by the fuel system diagnostic pump -V144-.
l  Guided fault finding has been performed with the vehicle diagnosis tester.
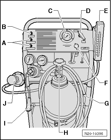
Preparation of fuel system tester -KLI 9210-:
  Note
The fuel system tester -KLI 9210- may differ in appearance depending on the version.
–  Check on fuel system tester -KLI 9210- if there is enough fluid in smoke generator.
   
–  Set valve -D- to „Hold“.
–  Open nitrogen bottle -H-.
–  Connect test hose -G- to self-test connection -B-.
–  Set valve -D- to „Test“.
–  Regulate pressure to 10 in. H2O (25 mbar) with pressure reducer -J-.
–  Set valve -D- to „Hold“.
–  Now pressure must be maintained for at least 2 minutes. Check tester if pressure is not maintained.
Checking fuel system for leaks:
  N20-10395
–  Connect adapter hose -KLI 9210/55-1- to breather line -A-. (colour marking: white)
  N20-10639
–  Connect measuring hose -G- from fuel system tester -KLI 9210- to adapter hose -KLI 9210/55-1-.
–  Set valve -D- to „Hold“.
  N20-10640
–  Connect Vehicle diagnosis tester to vehicle.
–  Start engine and run at idling speed.
–  On Vehicle diagnosis tester, select operating mode Guided functions.
–  Select guided function „Checking tank ventilation system for leaks“.
–  Initiate test.
–  Observe pressure gauge -KLI 9210- while test is running.
l  Fuel system diagnostic pump -V144- must pump up pressure in fuel system to at least 7 in. H2O (18 mbar).
The minimum pressure was not reached, but the available pressure does not drop.
–  Switch off ignition and perform a pressure retention test → Anchor. If no pressure drop can be detected: Check vacuum supply of fuel system diagnostic pump -V144- → Chapter.
The minimum pressure was not reached and the available pressure drops immediately:
  N01-0590
–  Clamp off hose to activated charcoal filter solenoid valve 1 -N80- using a hose clip -arrow-.
–  Repeat check. If the minimum pressure is reached now, renew activated charcoal filter solenoid valve 1 -N80-.
If the minimum pressure was again not reached and the available pressure drops immediately:
–  Leak in fuel system: Perform „leak detection in fuel system“ → Chapter.
Switch off ignition if the minimum pressure is reached.
The valve in the fuel system diagnostic pump -V144- closes and the pressure is retained.
–  Observe pressure gauge:
If the pressure does not drop at first, perform a pressure retention test to localise any potential small leaks → Anchor.
  N20-10641
If the pressure drops, clamp off hose to activated charcoal filter solenoid valve 1 -N80- using a hose clip -arrow-.
–  If the pressure does not drop again, renew activated charcoal filter solenoid valve 1 -N80-.
If the pressure still drops, perform „leak detection in fuel system“ → Chapter.
Pressure retention test
  N20-10641
–  Set valve -D- to „Test“. Set the available pressure to 10 in. H2O (25 mbar).
–  Observe pressure gauge -C- and flow meter -E-. When the throughput quantity decreases and the pressure increases to 10 in. H2O (25 mbar), the fuel system is filled.
  Note
Depending on the filling level of the fuel tank, this process can take up to 3 minutes.
–  Once pressure has stabilised, set valve -D- to „Hold“.
l  After 5 minutes the pressure must not drop below 8 in. H2O (20 mbar).
If the pressure is not held for at least 5 minutes, localise leak as follows:
  N20-10395
–  First check activated charcoal filter solenoid valve 1 -N80- for leaks. To do this, clamp off hose to activated charcoal filter solenoid valve 1 -N80- using a hose clip -arrow-.
  N20-10641
–  Repeat pressure test by setting valve -D- again to „Test“.
–  Observe pressure gauge and flow meter. When the throughput quantity decreases and the pressure increases to 10 in. H2O (25 mbar), the fuel system is filled.
–  Once pressure has stabilised, set valve -D- to „Hold“.
–  If the pressure does not drop again, renew activated charcoal filter solenoid valve 1 -N80-.
If the pressure still drops, perform „leak detection in fuel system“ → Chapter.
After completing work, perform guided function „checking fuel tank ventilation system for leaks“ using Vehicle diagnosis tester.
  N20-10395

Leak detection in fuel system (engine codes CBFA, CCTA, CBTA, CBUA) > < Checking fuel tank breather (CDLG, CAVB, CAVC, CAVD, CBZA, CBZB)