Golf Mk6
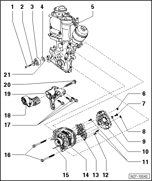
| Assembly overview |

| 1 - | Hexagon bolt |
| q | 40 Nm |
| 2 - | Washer |
| 3 - | Idler roller |
| 4 - | Washer |
| 5 - | Timing case |
| 6 - | Hexagon flange nut |
| q | M8 |
| q | Securing nut for B+ wire on rear of alternator |
| q | 15 Nm |
| 7 - | Cross-head screw |
| q | M5 x 21 |
| q | 4.5 Nm |
| 8 - | Hexagon nut, flat |
| q | M8 |
| 9 - | Washer |
| q | M5 |
| 10 - | Protective cap |
| 11 - | Cross-head screws |
| q | M4 x 19 |
| q | 2 Nm |
| 12 - | Cross-head screw |
| q | M4 x 13 |
| q | 2 Nm |
| 13 - | Voltage regulator |
| q | Removing and installing voltage regulator → Chapter |
| 14 - | Alternator |
| q | Removing and installing alternator → Chapter |
| q | Checking alternator → Chapter |
| q | Securing B+ wire to alternator → Chapter |
| q | Removing and installing poly V-belt pulley on alternator → Chapter |
| 15 - | Poly V-belt |
| q | Poly V-belt routing → Engine; Rep. gr.13 |
| q | Checking poly V-belt → Chapter |
| 16 - | Hexagon head flange bolts |
| q | M8 x 90 |
| q | 23 Nm |
| 17 - | Hexagon head flange bolts |
| q | M8 x 50 |
| q | 25 Nm |
| 18 - | Tensioning element |
| 19 - | Bracket |
| q | For tensioning element and air conditioner compressor |
| 20 - | Hexagon head flange bolt |
| q | M10 x 50 |
| q | 20 Nm + 1/4 turn (90°) further |
| 21 - | Spacer sleeve |
|
