Golf Mk6
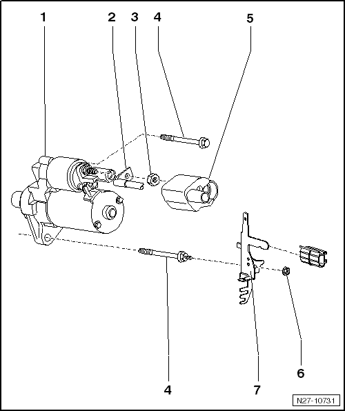
| Assembly overview |

| 1 - | Starter |
| q | Removing and installing → Chapter |
| q | Checking → Chapter |
| 2 - | Battery positive wire connection to starter |
| 3 - | Battery positive wire securing nut to starter |
| q | M8 |
| q | 15 Nm |
| 4 - | Starter securing bolts |
| q | M12 |
| q | 75 Nm |
| 5 - | Protective cap |
| 6 - | Wiring retainer securing bolts |
| q | M8 |
| q | 23 Nm |
| 7 - | Wiring retainer |
|
