Golf L4-1.8L Turbo (AWW) (2003)
Crankshaft Main Bearing Seal: Locations
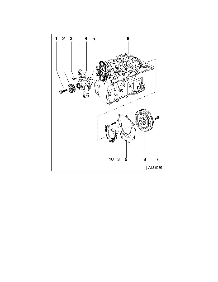
Sealing flange and flywheel/drive plate assembly overview
Note:
Servicing clutch, refer to Transmision and Drivetrain - Clutch, M/T See: Transmission and Drivetrain/Clutch
1- 90 Nm plus an additional 1/4 turn (90°)
Replace
Counterhold with 3415 to loosen and tighten
Threads and shoulder must be free of oil and grease
2- Crankshaft toothed belt sprocket
3- 15 Nm
4- Seal
Replacing. refer to Crankshaft Seal, Ribbed Belt Side, Replacing See: Cylinder Block Assembly/Sealing Flange, Engine Front/Service and
Repair
5- Sealing flange
Must be located on dowel sleeves
Clean sealing surface before installing
Insert with silicone sealant D 176 404 A2
Removing and installing, refer to Crankshaft Seal, Ribbed Belt Side, Replacing See: Cylinder Block Assembly/Sealing Flange, Engine
Front/Service and Repair
To remove and install remove oil pan
6- Cylinder block
Removing and installing crankshaft, refer to See: Cylinder Block Assembly/Crankshaft
Disassembling and assembling pistons and connecting rods, refer to Pistons and Connecting Rods, Assembly Overview
